EasyManua.ls Logo

Bell OH-58A - Cyclic Flight Control

Bell OH-58A
333 pages
Print Icon
To Next Page IconTo Next Page
To Next Page IconTo Next Page
To Previous Page IconTo Previous Page
To Previous Page IconTo Previous Page
Loading...
TM 55-1520-228-BD
FLIGHT CONTROLS SYSTEM
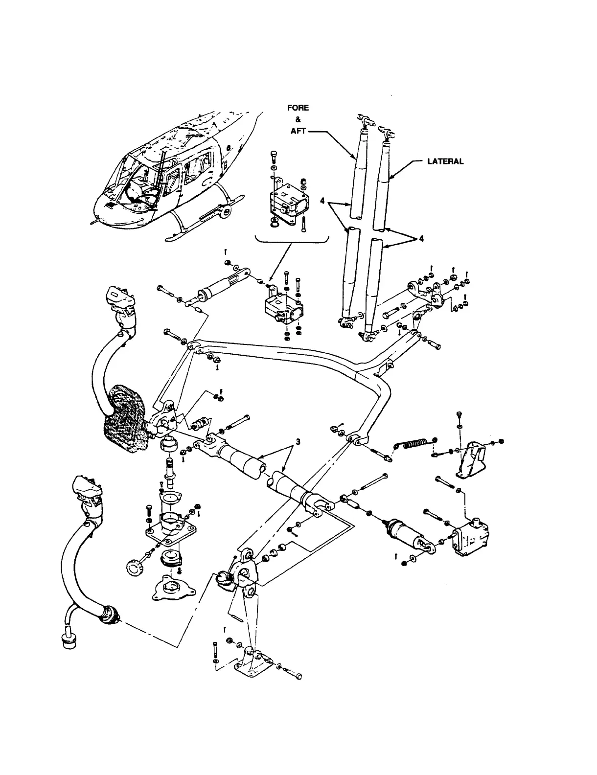
Figure 13-3. Cyclic Flight Control
13-6

Table of Contents

Related product manuals