EasyManua.ls Logo

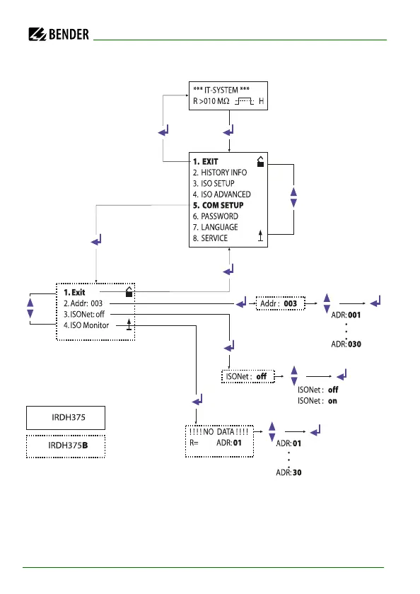
Bender ISOMETER IRDH375 - Diagram COM SETUP (IRDH375 B)

Bender ISOMETER IRDH375
100 pages
Print Icon
To Next Page IconTo Next Page
To Next Page IconTo Next Page
To Previous Page IconTo Previous Page
To Previous Page IconTo Previous Page
Loading...
Operation and setting
62
IRDH375_D00124_05_M_XXEN/01.2020
6.6.4 Diagram COM SETUP (IRDH375B)

Table of Contents

Related product manuals