EasyManua.ls Logo

BestCode NExT 86 - Page 204

Default Icon
305 pages
Print Icon
To Next Page IconTo Next Page
To Next Page IconTo Next Page
To Previous Page IconTo Previous Page
To Previous Page IconTo Previous Page
Loading...
BestCode Next Series 8 Technical Manual October 2022 Page 190 of 290
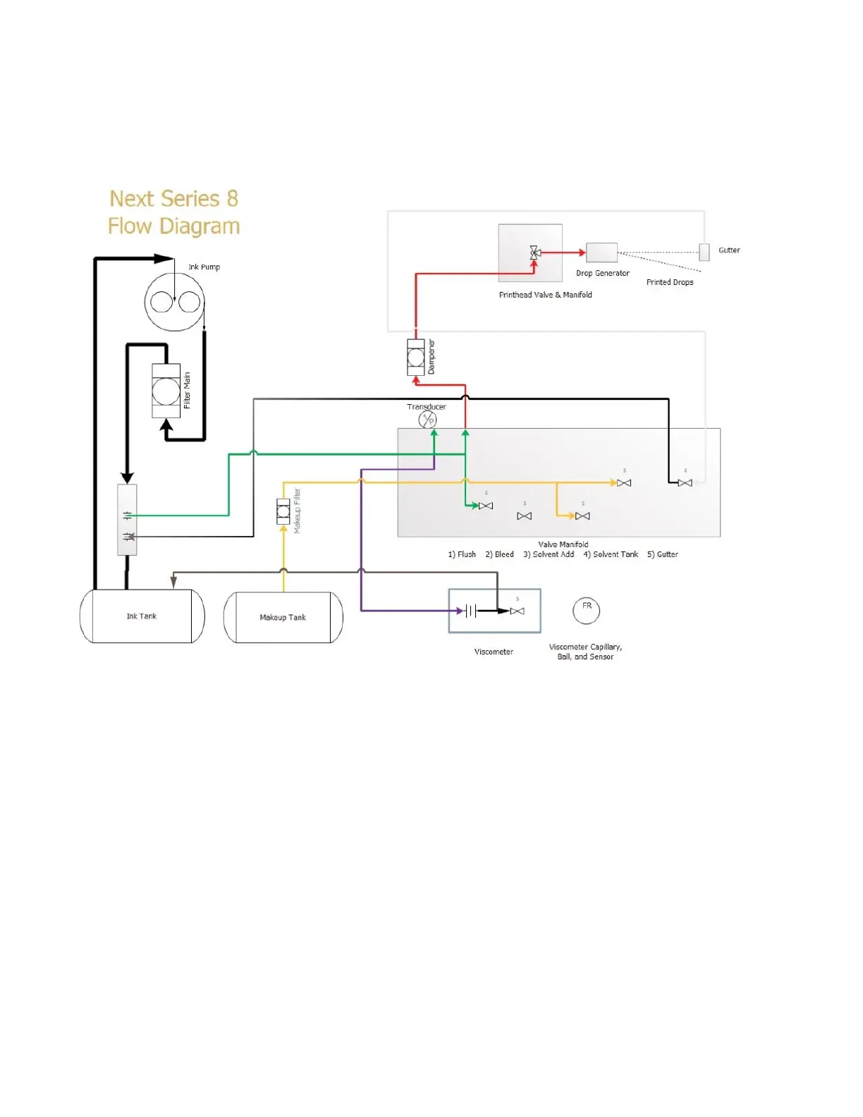
How the Next Series 8 CIJ Flow Works
Standard “Run” Operation
This basic drawing shows how ink is jetted and returned via vacuum. The basic viscometer loop is included
Basic Flow Logic Loop: Active Valves: Printhead and Gutter.
1) Ink is pulled from the Ink Tank directly into the Pump
2) The Output of the Pump feeds into the Main Filter.
3) The Main filter output flows to the top of the Venturi.
4) The Green Line Feeds ink to through the Manifold and Out to the Printhead Valve.
5) The Printhead Valve Activates and Allows Flow of Ink into the Gutter
6) The White Line has Vacuum Applied to it while the Gutter Valve is Active.
7) The Black/White Striped line returns Ink to the Venturi, where Vacuum is generated.
8) The Purple Line is Split from the green line to Feed the Viscometer
9) Brown line is on the side opposite the Viscometer Restrictor, and returns Ink to the ink Tank.

Table of Contents

Related product manuals