EasyManua.ls Logo

BIFFI ICON-030 - Section 8: View Menu

Default Icon
177 pages
Print Icon
To Next Page IconTo Next Page
To Next Page IconTo Next Page
To Previous Page IconTo Previous Page
To Previous Page IconTo Previous Page
Loading...
December 2019
51
Installation, Operation and Maintenance Manual
VCIOM-08500-EN
Section 8: View Menu
View Menu
Section 8: View Menu
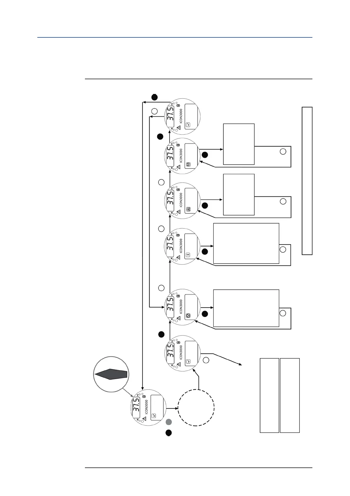
Figure 57 View Menu
To exit from VIEW menu press
YES and NO simultaneously
or move the 3-position selector to
LOCAL or REMOTE
Routines with * are only available if the
relevant modules are present.
TO SETUP
MENU
Press YES or NO to answer the appropriate prompts (OK?, view?, next?, etc.)
SELECT
LANGUAGE
Display
LOCAL REMOTE
YES
YES NO
NO NO
YES
YES
YESYESYES
NO
NO NO
NO NO
YES
NO
STOP
OFF
3-position selector
XXXXXX OFF
STOP NEXT?
VIEW MODE
OK?
ACTUATOR SETUP
VIEW?
NAME PLATE
VIEW?
VALVE DATA
VIEW?
MAINTENANCE
VIEW?
EXIT?
OK?
Routines:
- Stroke limits view?
- Torque set-up view?
- ESD set-up view?
- Remote controls view?
- Local controls view?
- Output relays view?
- Positioner * view?
- Fail Safe * view?
- Out 4-20mA * view?
- Interlock view?
- 2-speed timer view?
- Bus * view?
- Miscellaneous view?
Routines:
- Serial number view?
- Actuator type view?
- Torque / Thrust view?
- Actuator speed view?
- Power supply view?
- Motor data view?
- Test date view?
- Wiring diagram view?
- Enclosure view?
- Certicate view?
- Lubricant view?
- Revision view?
- Torque sensor view?
Routines:
- Tag name view?
- Serial number view?
- Manufacturer view?
- Break OP torque view?
- Break CL torque view?
- Max stem thrust view?
- Flange type view?
Routines:
- Alarm log view?
- Torque prole view?
- Torque curve view?
- Operation log view?
- Maintenance date view?
- Data logger view?

Table of Contents

Related product manuals