EasyManua.ls Logo

Biotech TLM-Pro - Hydraulic Schemes and Additions; Hydraulic Scheme Overview

Default Icon
34 pages
Print Icon
To Next Page IconTo Next Page
To Next Page IconTo Next Page
To Previous Page IconTo Previous Page
To Previous Page IconTo Previous Page
Loading...
30
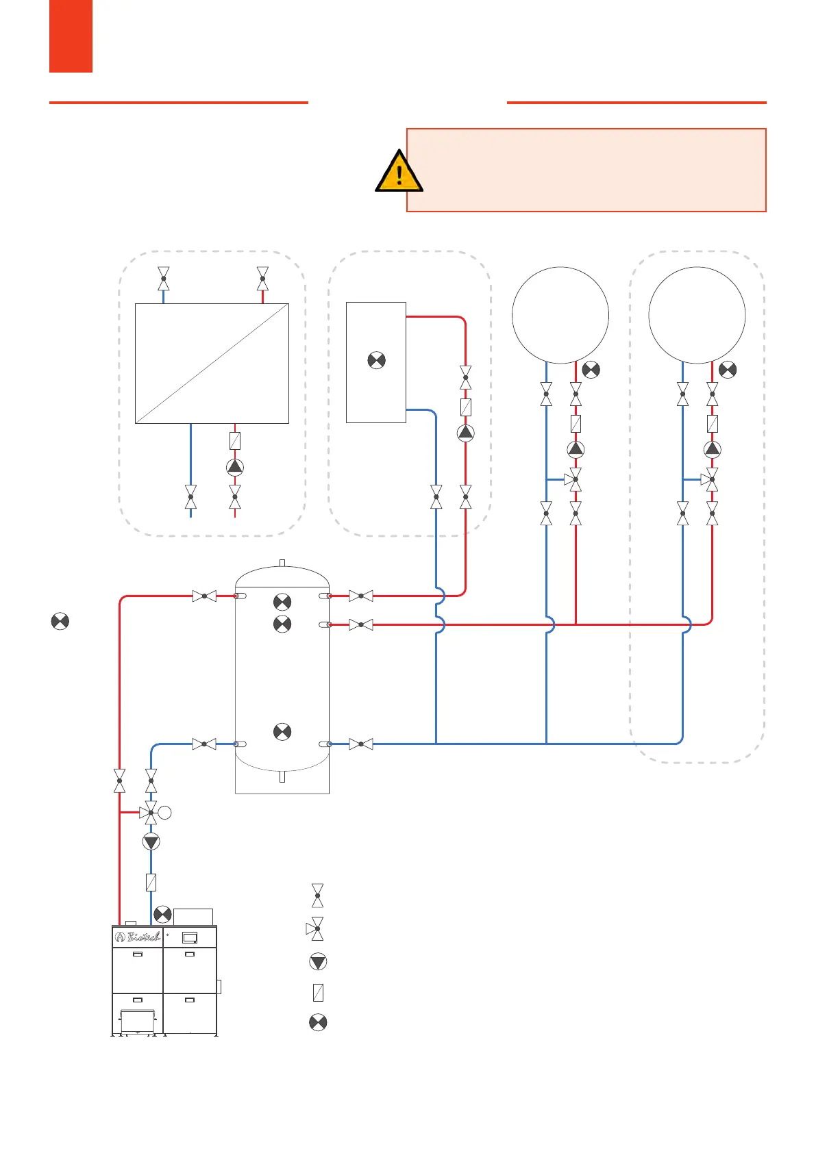
PLANING FOLDER PELLET BOILER
8. HYDRAULIQ SCHEMES
This scheme is a recommendation of the company
Biotech. Please note that this scheme must be adapted
to the local conditions. For this reason, we cannot
accept any liability for the function of the system.
NOTE:
We reserve the right to make technical changes! It is
essential to ensure that the return temperature of the
boiler does not fall below 55°C!
55°C
Mixer
Stopcock
BLP Boiler charging pump
PHK Pump heating circuit
RLA Return lift pump
PLP Buer charge pump
AF Outdoor sensor
BF Boiler sensor
PF1 Buer sensor top
PF2 Buer sensor below
VLF Flow sensor
HZS 533HZS 532
Buer
external regulation
VLF1 VLF2
ADDITIONALLY POSSIBLE
ALTERNATIVE
FRESH
WATER
BF
BF
BLP
AF
PHK
RLA
PHK
MixerMixer
PF1
PF2
Heating boiler
Pump
Non-return valve
Sensor
Boiler
Fresh water
Heating
circuit II
40/30
Heating
circuit I
40/30

Related product manuals