EasyManua.ls Logo

Biotech TLM-Pro - Addition for Annexe Module; Hydraulic Scheme Important Notes

Default Icon
34 pages
Print Icon
To Next Page IconTo Next Page
To Next Page IconTo Next Page
To Previous Page IconTo Previous Page
To Previous Page IconTo Previous Page
Loading...
31
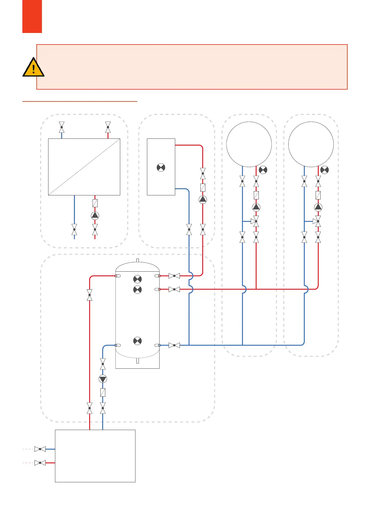
PLANING FOLDER PELLET BOILER
8.1 ADDITION FOR ANNEXE
IMPORTANT NOTE:
Information without claim to completeness, no assumption of liability. Subject to typesetting and printing errors!
Shut-o devices, vents and safety measures are not shown in this schematic diagram. These must be installed
specifically for the system in accordance with standards and regulations! Chimney draught regulator with EX
damper in the flue!
ADDITIONALLY POSSIBLE
ALTERNATIVE
FRESH
WATER
BLP
PHK PHK
Mixer Mixer
Buer
PLP
Earth wire
Boiler
Fresh water
Heating
circuit IV
40/30
Heating
circuit III
40/30
VLF VLF
ANNEXE VIA
EXTERNAL MODULE
HZS 541-1S
BF
PF1
PF2
PLP Buer charge pump
BF Boiler sensor
PF1 Buer sensor top
PF2 Buer sensor below
VLF Flow sensor

Related product manuals