EasyManua.ls Logo

Bosch CS5800iAW 12 E G3 - Heat Pump with Two Heating Circuits, Indoor Unit, Buffer Cylinder and DHW Cylinder

Bosch CS5800iAW 12 E G3
41 pages
Print Icon
To Next Page IconTo Next Page
To Next Page IconTo Next Page
To Previous Page IconTo Previous Page
To Previous Page IconTo Previous Page
Loading...
Technical information and reports
Compress 5800i AW – 6721862724 (2023/06)
34
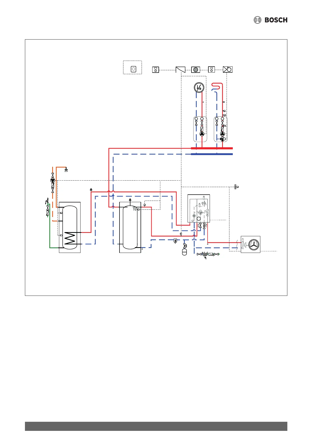
10.2.3 Heat pump with two heating circuits, indoor unit, buffer cylinder and DHW cylinder
Fig. 38 Heat pump, two heating circuits, indoor unit, buffer cylinder and DHW cylinder
[1] Mounted in indoor unit
[4] Mounted in indoor unit or on wall
[5] Mounted on wall
[*] Optional
1
UI 800
WP.../WD.../WH...
TW1
PW2
BH...-5/-6 /
BST...-5
T
T
PC1
TW2*
T1
PC0
TC0
TC1
5
CR 10H
* optional
400 V /230 V AC
AW 4/5/7 OR-S /
AW 10/12 OR-T
VA0
400 V /230 V AC
VW2
H2
H13
H1
H11
MD1
VC3
VC2
1
XCU HY
5
CR 10H
4
MM 100
2
VW1
MD1
Compress CS5800iAW /
CS6800iAW 12 E
VL1
MC1
TC1
M
VC1
T T
PC1
VC3
V
5
RT 800
VC2
VW3
MD1
0010041224-004

Table of Contents

Related product manuals