EasyManua.ls Logo

Bosch CS5800iAW 12 E G3 - Heat Pump with Indoor Unit, Buffer Cylinder and Water Heater

Bosch CS5800iAW 12 E G3
41 pages
Print Icon
To Next Page IconTo Next Page
To Next Page IconTo Next Page
To Previous Page IconTo Previous Page
To Previous Page IconTo Previous Page
Loading...
Technical information and reports
33
Compress 5800i AW – 6721862724 (2023/06)
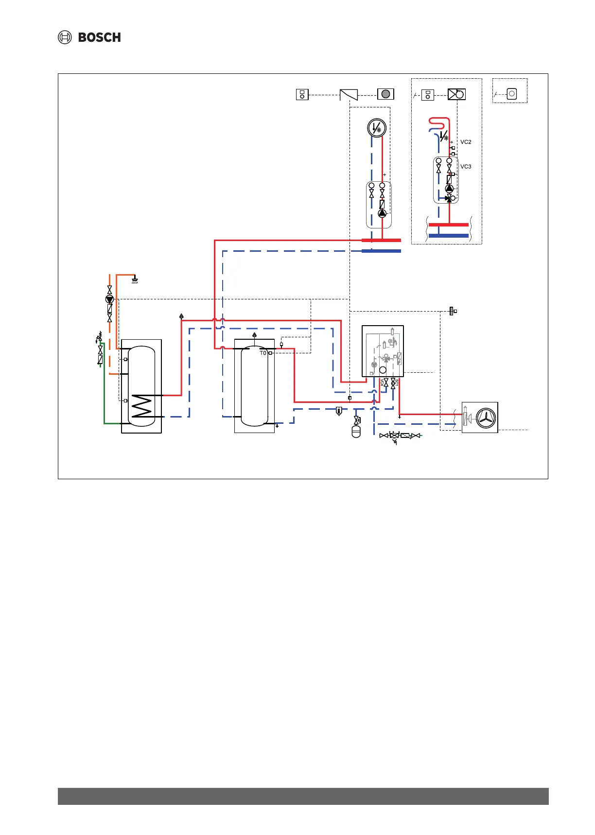
10.2.2 Heat pump with indoor unit, buffer cylinder and water heater
Fig. 37 Heat pump, indoor unit, buffer cylinder and water heater
[1] Mounted in indoor unit
[5] Mounted on wall
[*] Optional
1
UI 800
WP.../WD.../WH...
TW1
PW2
BH...-5/-6 /
BST...-5
T T
PC1
TW2*
T1
PC0
TC0
TC1
5
CR 10H
V
5
RT 800
* optional
400 V /230 V AC
AW 4/5/7 OR-S /
AW 10/12 OR-T
VA0
400 V /230 V AC
VW2
H2
H13
H1
H11
MD1*
VC3
VC2
1
XCU HY
5
CR 10H
5
MM 100
2
MC1
TC1
M
VC1
T T
PC1
VW1
MD1
Compress CS5800iAW /
CS6800iAW 12 E
V
VL1
VW3
MD1
0010039107-005

Table of Contents

Related product manuals