EasyManua.ls Logo

Bosch PRAESENSA - Page 70

Bosch PRAESENSA
166 pages
Print Icon
To Next Page IconTo Next Page
To Next Page IconTo Next Page
To Previous Page IconTo Previous Page
To Previous Page IconTo Previous Page
Loading...
70 en | Installation wiring PRAESENSA
2021.12.21 | V0.15b | F.01U.402.882
Underwriters Laboratories Listing Document (ULLD)
Bosch Security Systems B.V.
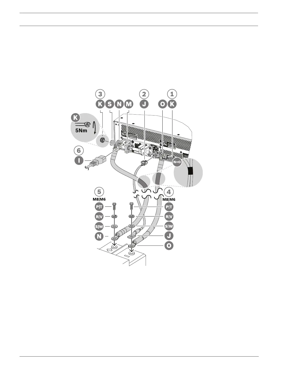
Tighten with the correct torque, according to the battery specification. The eyelet
isolation of cable (N) is needed to prevent that the fuse is being shorted by the bolt
(Q or U).
Fuse at power supply side
Putting the fuse (M) at the positive battery terminal of the power supply, follow the
connection procedure below.
1. Take the black battery cable (O) and fix one side to the short negative battery connection
terminal of the power supply, using an M8 self‑locking nut (K). Tighten with torque 5Nm.
When the black (O) and red (N) battery cables are fixed to each other, make sure
that the isolated fuse eyelet on the red cable (N) is at the power supply side,
otherwise reverse the complete cable set.
2. Put the fuse (M) on the long positive battery connection terminal of the power supply,
followed by the isolated eyelet of the red cable (N), with the metal side of the eyelet
against the fuse, then followed by a washer (S). Fix this set using the other M8
self‑locking nut (K). Tighten with torque 5Nm.
The eyelet isolation of cable (N) is needed to prevent that the fuse (M) is being
shorted by the threaded end terminal.
3. Insert the connector of the battery temperature sensor assembly (J) into the temperature
sensor connector socket of the power supply.

Table of Contents

Other manuals for Bosch PRAESENSA

Related product manuals