EasyManua.ls Logo

Bosch PRAESENSA - Interconnection with B9512 G or B8512 G Panel

Bosch PRAESENSA
166 pages
Print Icon
To Next Page IconTo Next Page
To Next Page IconTo Next Page
To Previous Page IconTo Previous Page
To Previous Page IconTo Previous Page
Loading...
PRAESENSA System Configuration | en 153
Bosch Security Systems B.V.
Underwriters Laboratories Listing Document (ULLD)
2021.12.21 | V0.15b | F.01U.402.882
9.4 Interconnection with B9512G or B8512G panel
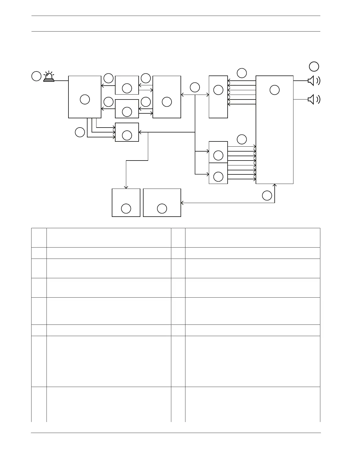
Scenario: B9512G or B8512G + PRA + 1 Strobe
9
G
10
B926M
PRA-FRP3-US
(LOC/ACU)
B308
B308
B208
B8512G
D192G
or
B9512G
11
I
7
7
H
86
5
3
F
DB
C
A
1
E
B208
4
2
D192GNAC
3
PRAESENSA
1 Clear strobe A Output signals from NAC (AC local, battery and
trouble)
2 NAC rack for strobes (R1002ULADA) B Notification output signal wiring for clear strobe
3 Notification appliance module (D192G) C Also for clear strobe, but can be used for second
strobe zone.
4 8‑input Expansion Module (B208) D Notification input- and output‑signal wiring for clear
strobe
5 Control panel (B9512G or B8512G) E Also for clear strobe, but can be used for second
strobe zone.
6 8‑input Expansion Module (B208) F SDI2 class b wiring
7 Octo‑output module (B308) G Connect the following output contact triggers from
the PRAESENSA output contacts to the B208 panel:
Alarm Triggers and Trouble Signals from
PRAESENSA to B9512G or B8512G panel.
Transfer of Control Signals
See
Control outputs, page 79
.
8 PRAESENSA system
See i.e.
PRAESENSA product overview, page 14
H Connect the following output contact triggers from
the B308 panel to the PRAESENSA input contacts:
Alarm Triggers to start the MNS and Fire audio
messages in PRAESENSA.

Table of Contents

Other manuals for Bosch PRAESENSA

Related product manuals