EasyManua.ls Logo

Bosch PRAESENSA - Interconnection with B9512 G or B8512 G Panel with Amber and Clear Strobes

Bosch PRAESENSA
166 pages
Print Icon
To Next Page IconTo Next Page
To Next Page IconTo Next Page
To Previous Page IconTo Previous Page
To Previous Page IconTo Previous Page
Loading...
PRAESENSA System Configuration | en 155
Bosch Security Systems B.V.
Underwriters Laboratories Listing Document (ULLD)
2021.12.21 | V0.15b | F.01U.402.882
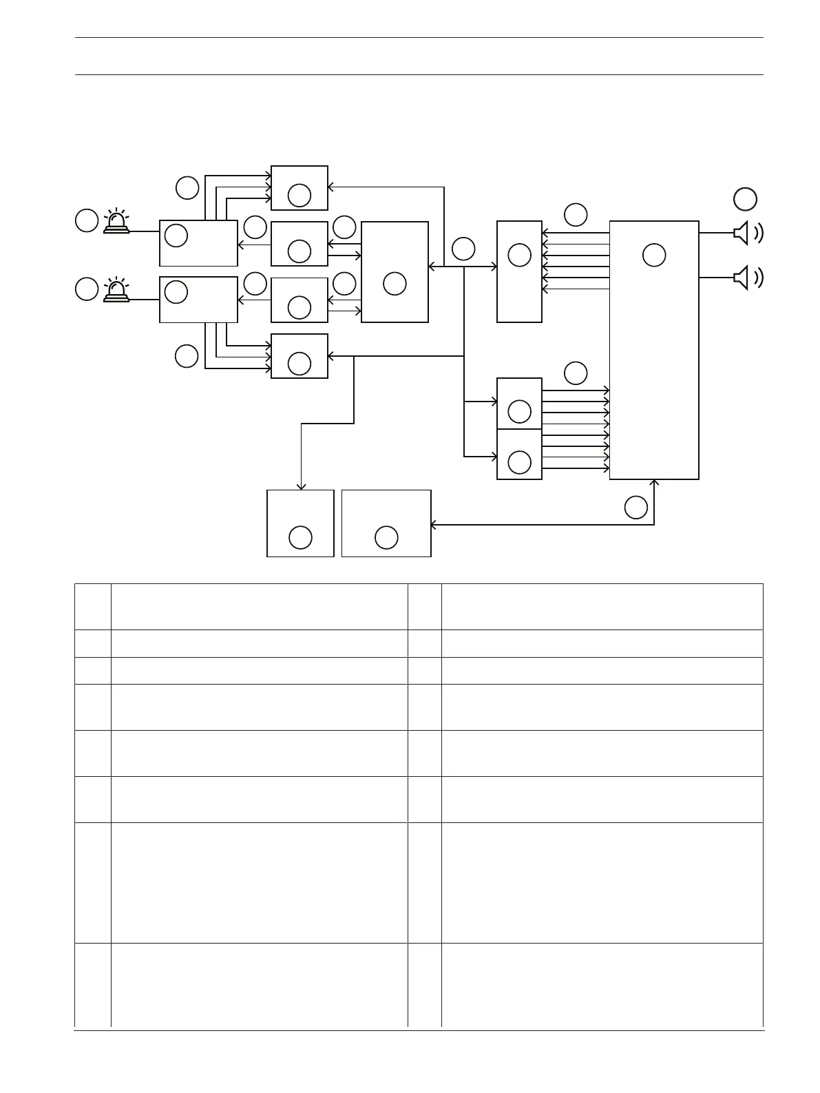
9.5 Interconnection with B9512G or B8512G panel with amber and
clear strobes
Scenario: B9512G or B8512G + PRA + 2 strobe
3
NAC
4
A
NAC
1
2
12
13
H
B308
B308
B208 PRAESENSA
J
11
11
I
10
G
14
B926M
PRA-FRP3-US
(LOC/ACU)
15
B8512G
D192G
or
B9512G
9
7
EC
D
B
F
D192G
6
B208
5
B208
8
1 Clear fire strobes A
B
A is for Fire related trouble signals
B is for MNS related trouble signals
2 Amber MNS strobes C Notification output wiring for fire strobe
3 NAC rack for fire strobes (R1002ULADA) D Notification output signal wiring for MNS strobe
4 NAC rack for MNS strobes (R1002ULADA) E Notification input- and output‑signal wiring for fire
strobe
5 8 input Expansion Module (B208) F Notification input- and output‑signal wiring for MNS
strobe
6
7
Notification appliance module (D192G) G SDI2 class b wiring
8 8 input Expansion Module (B208) H Connect the following output contact triggers from
the PRAESENSA output contacts to the B208 panel:
Alarm Triggers and Trouble Signals from
PRAESENSA to B9512G or B8512G panel.
Transfer of Control Signals
See
Control outputs, page 79
.
9 Control panel (B9512G or B8512G) I Connect the following output contact triggers from
the B308 panel to the PRAESENSA input contacts:
Alarm Triggers to start the MNS and Fire audio
messages in PRAESENSA.

Table of Contents

Other manuals for Bosch PRAESENSA

Related product manuals