EasyManua.ls Logo

Bosch PRAESENSA - Generic Interfacing with Fire Panel

Bosch PRAESENSA
166 pages
Print Icon
To Next Page IconTo Next Page
To Next Page IconTo Next Page
To Previous Page IconTo Previous Page
To Previous Page IconTo Previous Page
Loading...
PRAESENSA System Configuration | en 157
Bosch Security Systems B.V.
Underwriters Laboratories Listing Document (ULLD)
2021.12.21 | V0.15b | F.01U.402.882
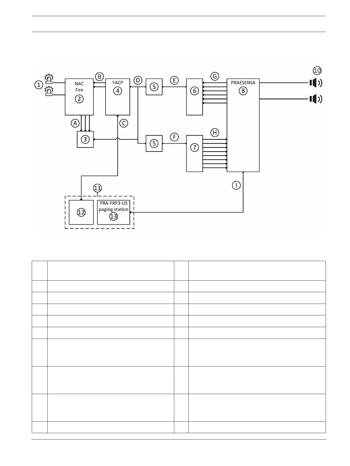
9.6 Generic interfacing with fire panel
Scenario: PRAESENSA with FACP (fire only) #
Remark: Multiple FRP panels are allowed, provided they are mounted adjacent to either the
fire panel or a fire annunciator that has control (Silence / Reset) buttons.
1 Clear fire strobes A Output signals from NAC (AC local, battery and
trouble)
2 NAC rack for fire strobes B Notification output wiring for fire strobe
3 FACP input contact module (addressable) C Interconnection wiring
4 FACP (Fire Alarm Control Panel) D Class b SLC wiring
5 Isolator (if required) E Class b SLC wiring
6 FACP input contact module (addressable) F Class b SLC wiring
7 FACP output contact module (addressable
relays)
G (Max. 8) Input contact wiring (e.g. Fire system, fire
trigger, trouble, battery, AC, etc.).
See
Control outputs, page 79
.
8 PRAESENSA system.
See i.e.
PRAESENSA product overview, page 14
.
H (Max. 8) Output contact wiring (e.g. Fire alarm, CO
alarm, etc.).
See
Control inputs, page 78
.
10 Loudspeaker / zones
See i.e.
Amplifier outputs, page 39
and
Amplifier
outputs, page 51
I Ethernet PoE (Class N) wiring
See
First responder panel | PRA-FRPx-US, PRA-FRPx-
USNY, page 108
.
11 Items 15 and 16 must be mounted side by side

Table of Contents

Other manuals for Bosch PRAESENSA

Related product manuals