EasyManua.ls Logo

Branson B Series - Page 111

Branson B Series
210 pages
Print Icon
To Next Page IconTo Next Page
To Next Page IconTo Next Page
To Previous Page IconTo Previous Page
To Previous Page IconTo Previous Page
Loading...
B Series Degreaser Schematics
Rev G Page 118
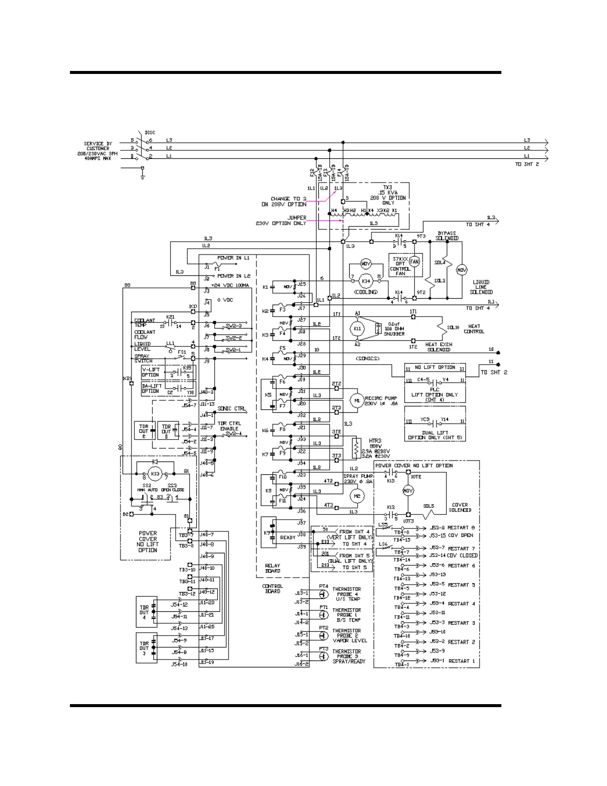
6.2 B950
Figure 6-6 B950 Controller

Related product manuals