EasyManua.ls Logo

Branson B Series - Page 114

Branson B Series
210 pages
Print Icon
To Next Page IconTo Next Page
To Next Page IconTo Next Page
To Previous Page IconTo Previous Page
To Previous Page IconTo Previous Page
Loading...
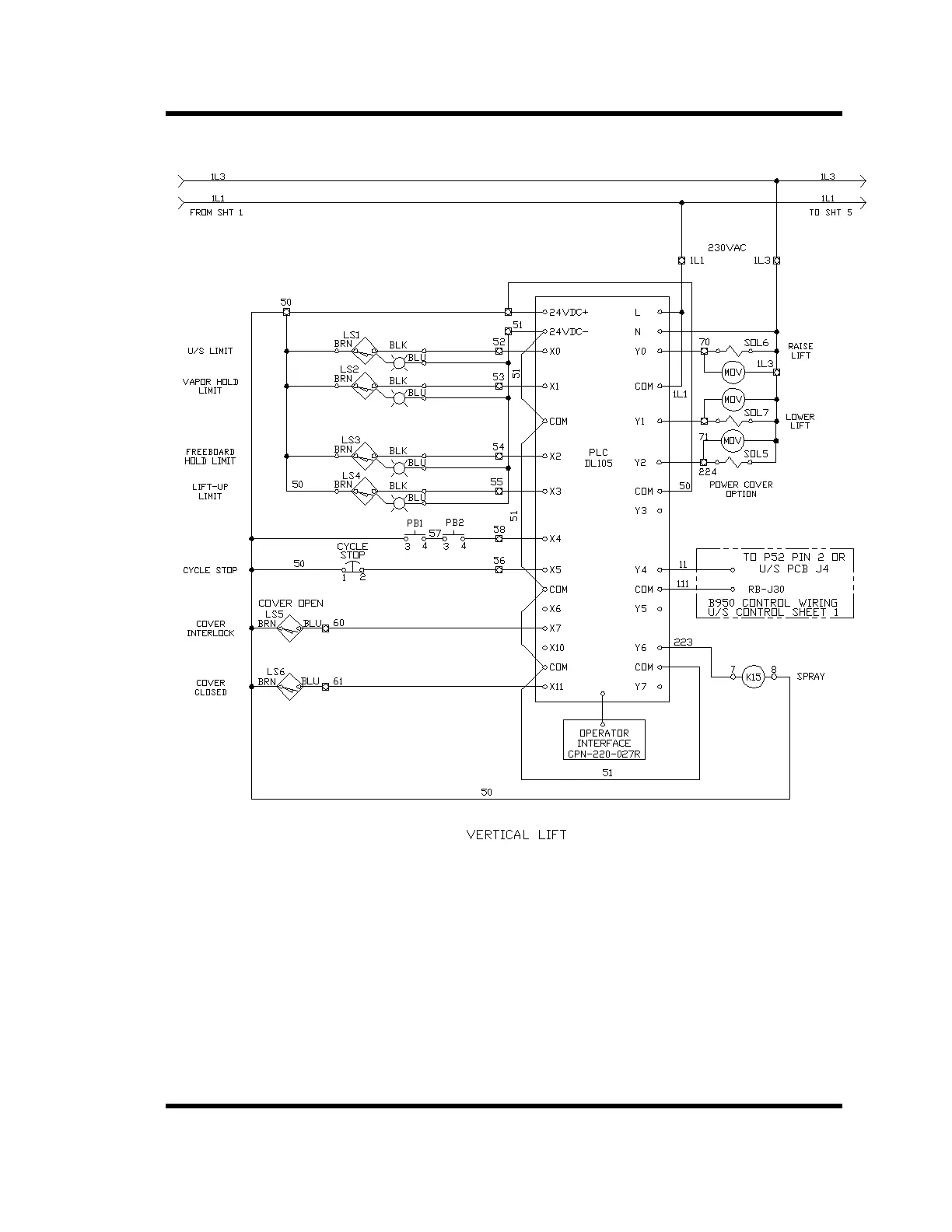
B Series Degreaser Schematics
Rev G Page 121
Figure 6-9 B950 Vertical Lift

Related product manuals