EasyManua.ls Logo

Branson B Series - Page 118

Branson B Series
210 pages
Print Icon
To Next Page IconTo Next Page
To Next Page IconTo Next Page
To Previous Page IconTo Previous Page
To Previous Page IconTo Previous Page
Loading...
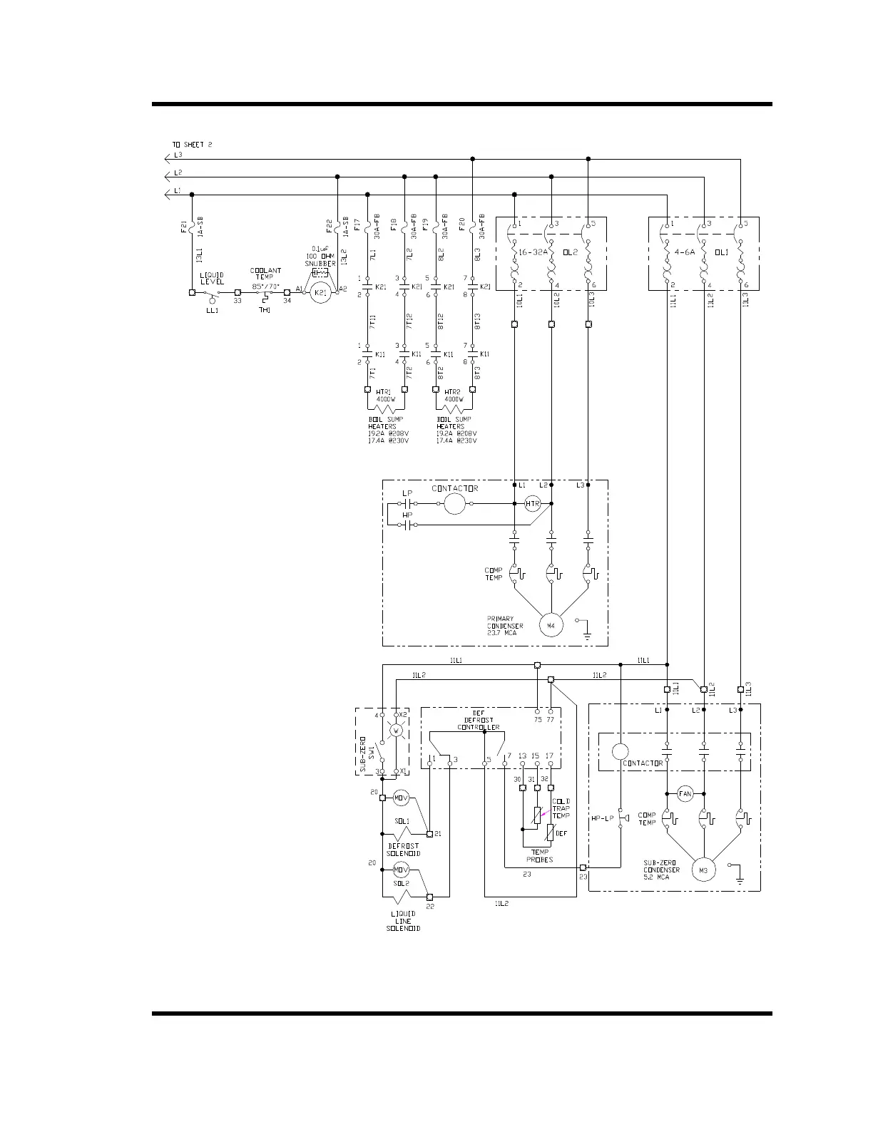
B Series Degreaser Schematics
Rev G Page 125
Figure 6-13 B1950 230V Heat and Refrigeration

Related product manuals