EasyManua.ls Logo

Brother MFC-7380 - Page 205

Brother MFC-7380
307 pages
Print Icon
To Next Page IconTo Next Page
To Next Page IconTo Next Page
To Previous Page IconTo Previous Page
To Previous Page IconTo Previous Page
Loading...
3-72
Confidential
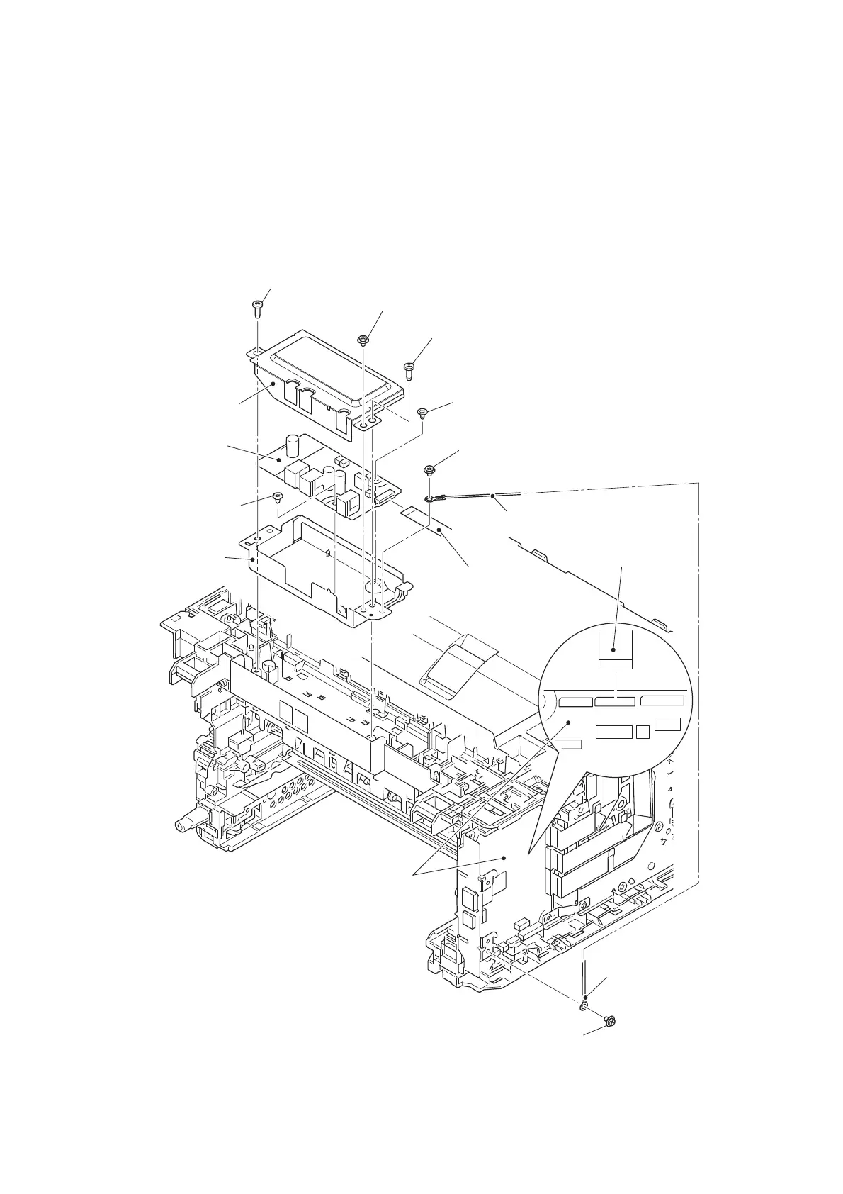
(3) Remove the screw pan (S/P washer) M3.5x6 screw and the taptite cup S M3x8 SR to
release the modem FG harness main from the securing fixtures.
(4) Disconnect the modem flat cable from the main PCB ASSY and the modem PCB ASSY,
and release it from the securing fixtures.
(5) Remove the two taptite bind B M4x12 screws to remove the modem shield plate.
(6) Remove the screw pan (S/P washer) M3.5x6 screw to remove the modem shield cover
from the modem shield plate.
(7) Remove the two taptite cup S M3x6 SR screws to remove the modem PCB ASSY from
the modem shield plate.
Fig. 3-69
Harness routing: Refer to ā€œ6. Speaker unit, Modem (Main PCB side)ā€.
Taptite bind B M4x12
Main PCB ASSY
Screw pan (S/P washer) M3.5x6
Taptite bind B M4x12
Taptite cup S M3x6 SR
Screw pan (S/P washer) M3.5x6
Modem FG harness main
Modem flat cable
Modem shield
plate
Taptite cup S
M3x6 SR
Modem PCB
ASSY
Modem shield
cover
Taptite cup S M3x8 SR
Modem FG
harness main
Modem flat cable

Table of Contents

Other manuals for Brother MFC-7380

Related product manuals