EasyManua.ls Logo

Brother MFC9700 - Laser Unit

Brother MFC9700
255 pages
Print Icon
To Next Page IconTo Next Page
To Next Page IconTo Next Page
To Previous Page IconTo Previous Page
To Previous Page IconTo Previous Page
Loading...
IV - 36
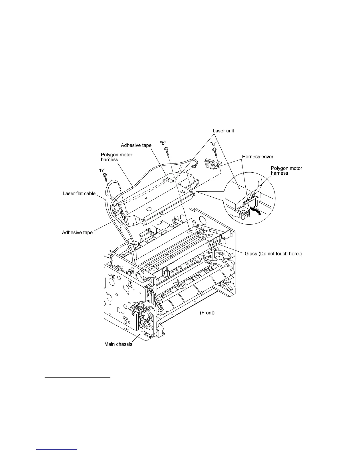
1.17 Laser Unit
(1) Remove screw "a" and take off the harness cover.
(2) Remove two screws "b."
(3) Disconnect the polygon motor harness and laser flat cable from the laser unit.
(4) Lift up the laser unit.
NOTE: When handling the laser unit, take care not to touch the inside of the unit, glass, or
mirror.
NOTE: On the small PCB in the laser unit is a 2-pin connector which is for the adjustment in
the factory. Do not disturb it.
n
nn
n Reassembling Notes
Before putting the laser unit back into place, check for any toner particles, paper dust or dirt, and
clean them out.
After routing the polygon motor harness and laser flat cable, tape them onto the laser unit as
shown above.
"a" and "b": Taptite, cup S M3x16

Table of Contents

Related product manuals