EasyManua.ls Logo

Brother MFC9700 - Drive Gear ASSY and Main Motor ASSY

Brother MFC9700
255 pages
Print Icon
To Next Page IconTo Next Page
To Next Page IconTo Next Page
To Previous Page IconTo Previous Page
To Previous Page IconTo Previous Page
Loading...
IV - 53
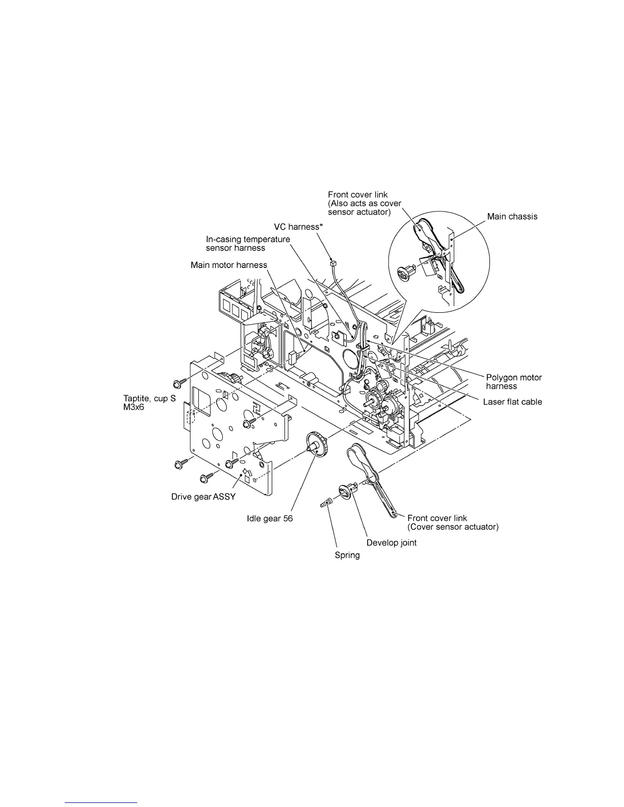
1.20 Drive Gear ASSY and Main Motor ASSY
(1) Remove five screws from the drive gear ASSY.
(2) Tilt the drive gear ASSY towards you while taking care not to drop the develop joint and spring,
and then disconnect the main motor harness.
(3) Remove the front cover link and idle gear 56 from the main chassis.
*Provided on models supporting video capture

Table of Contents