EasyManua.ls Logo

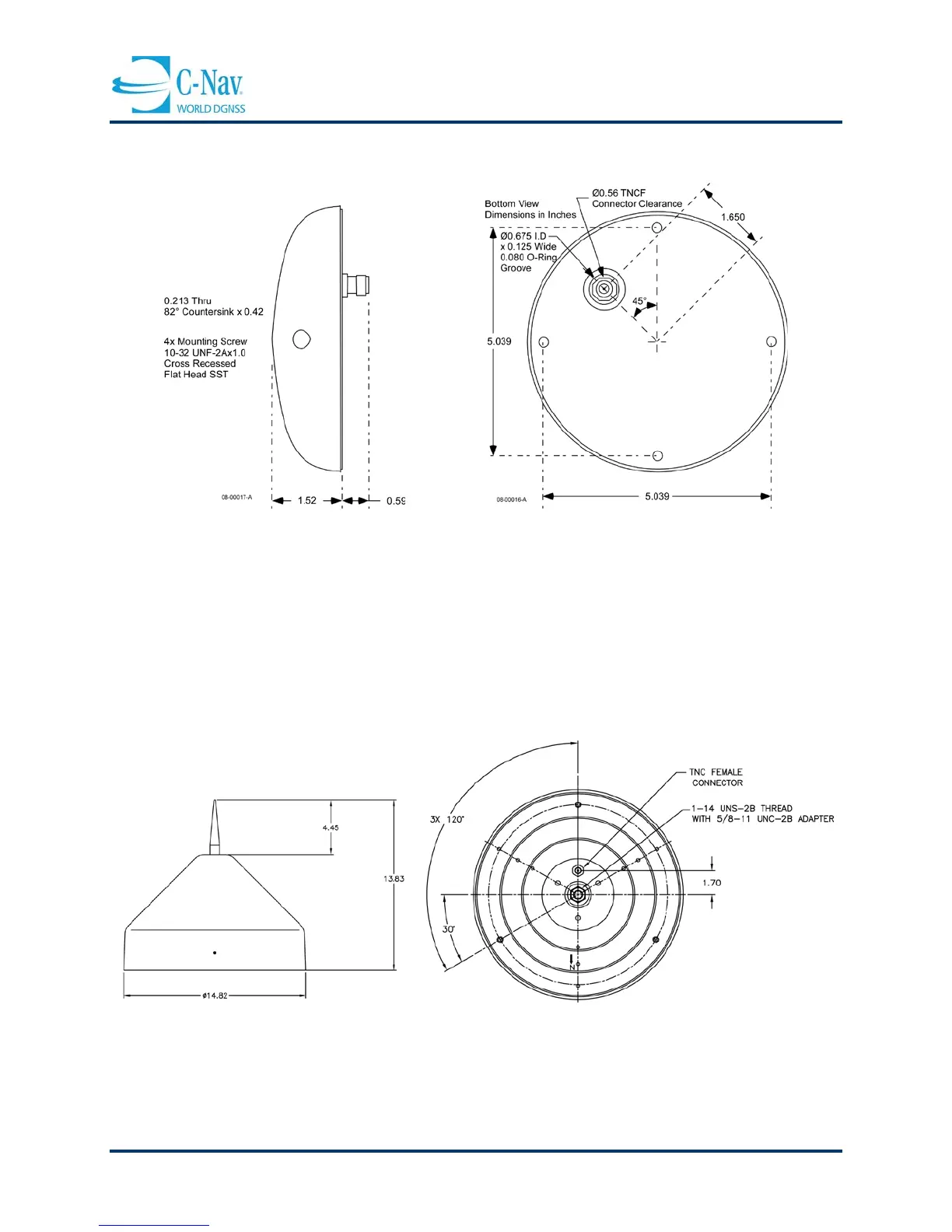
C-Nav IALA - Figure 3-5: C-Nav3050 Airborne (P;N NAV82-001022-3001 LF) Antenna Dimensions; Figure 3-6: C-Nav3050 Base (P;N NAV82-001021-3001 LF) Antenna Dimensions

C-Nav IALA
99 pages
Print Icon
To Next Page IconTo Next Page
To Next Page IconTo Next Page
To Previous Page IconTo Previous Page
To Previous Page IconTo Previous Page
Loading...
C-Nav Hardware Reference Guide
28
Figure 3-5: C-Nav3050 Airborne (P/N NAV82-001022-3001LF) Antenna Dimensions
Figure 3-6: C-Nav3050 Base (P/N NAV82-001021-3001LF) Antenna Dimensions

Table of Contents