EasyManua.ls Logo

Champion Eseries - C4 Wash Without Scrap Basket Electric Tank Heat Installation

Champion Eseries
228 pages
Print Icon
To Next Page IconTo Next Page
To Next Page IconTo Next Page
To Previous Page IconTo Previous Page
To Previous Page IconTo Previous Page
Loading...
72
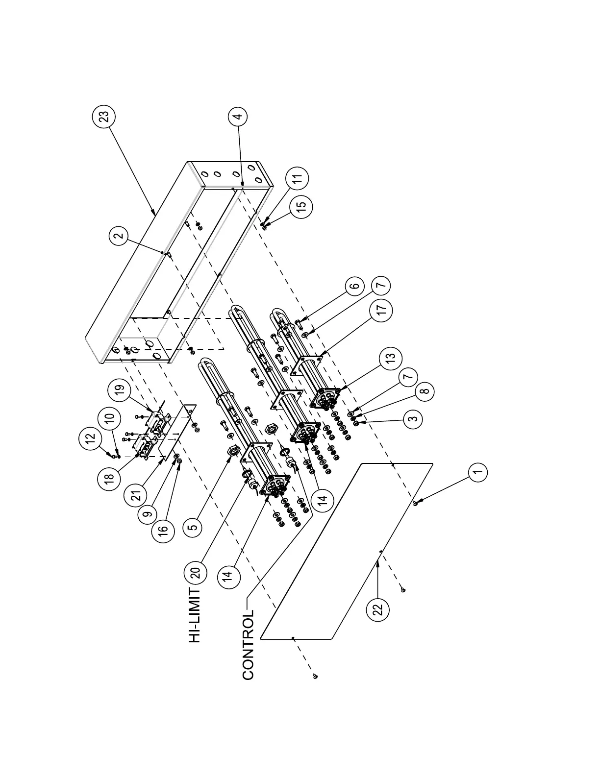
C4 Wash without Scrap Basket Electric Tank Heat Installation

Table of Contents

Related product manuals