EasyManua.ls Logo

Champion Eseries - Float Switches

Champion Eseries
228 pages
Print Icon
To Next Page IconTo Next Page
To Next Page IconTo Next Page
To Previous Page IconTo Previous Page
To Previous Page IconTo Previous Page
Loading...
90
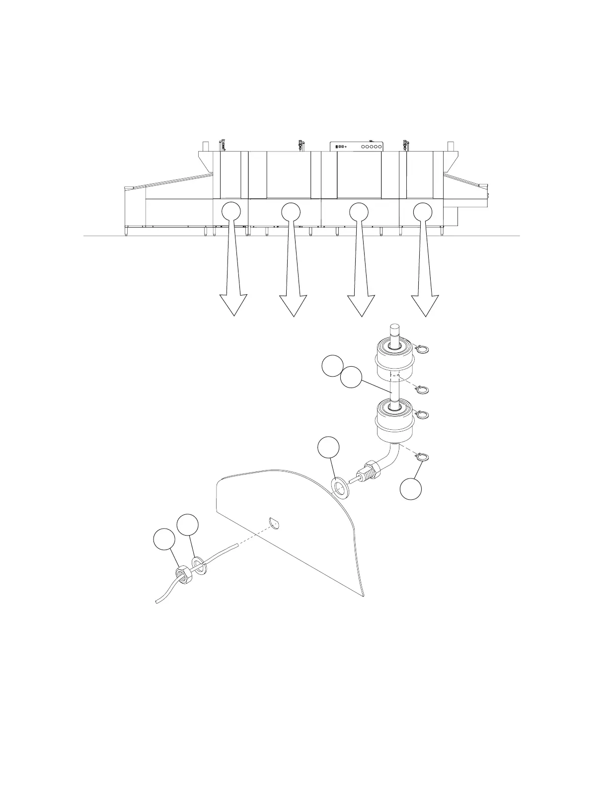
Float Switches
Aux.
Rinse
Power
Rinse
Wash Pre-
Wash
1
11
22
2
3
5
6
4

Table of Contents

Related product manuals