EasyManua.ls Logo

Cognex DataMan 70 - Dataman 60 Reader Dimensions

Cognex DataMan 70
173 pages
Print Icon
To Next Page IconTo Next Page
To Next Page IconTo Next Page
To Previous Page IconTo Previous Page
To Previous Page IconTo Previous Page
Loading...
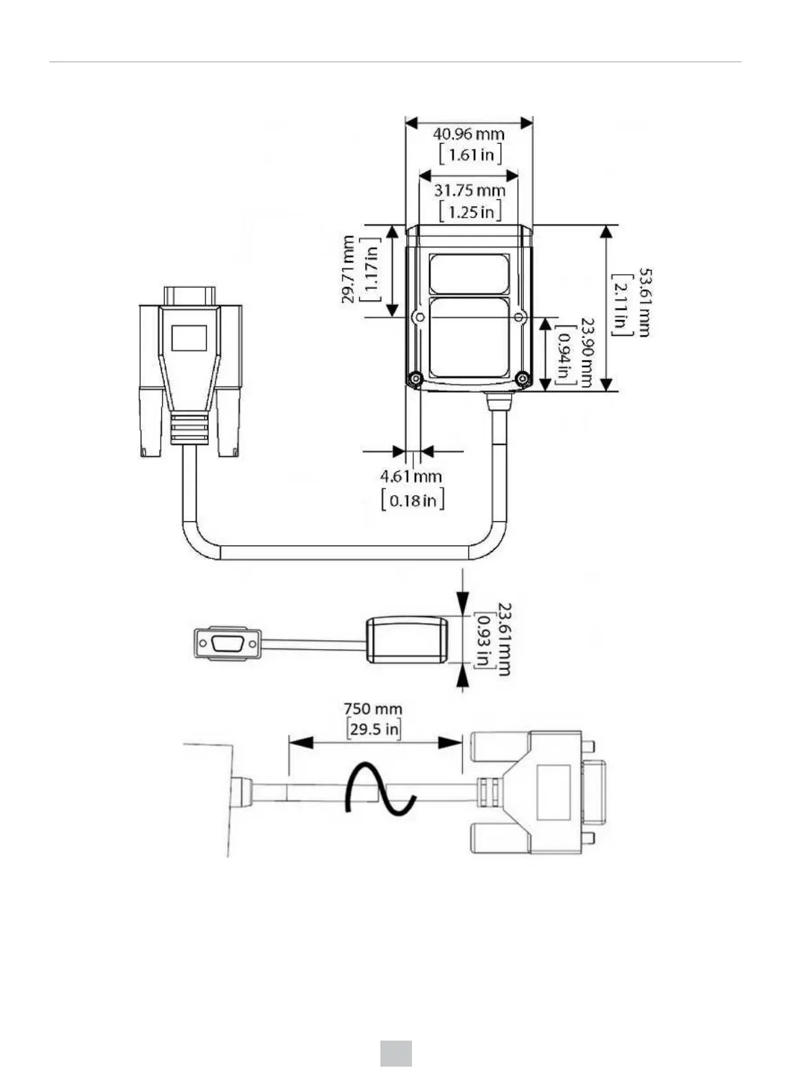
DataMan 60 Reader Dimensions
10
Mechanical Information

Table of Contents

Related product manuals