EasyManua.ls Logo

Comelit SIMPLEBUS2 - Apartment Block Systems: 1-4 Risers, 2 Entrances

Comelit SIMPLEBUS2
46 pages
Print Icon
To Next Page IconTo Next Page
To Next Page IconTo Next Page
To Previous Page IconTo Previous Page
To Previous Page IconTo Previous Page
Loading...
SIMPLEBUS2 AUDIO-VIDEO
12
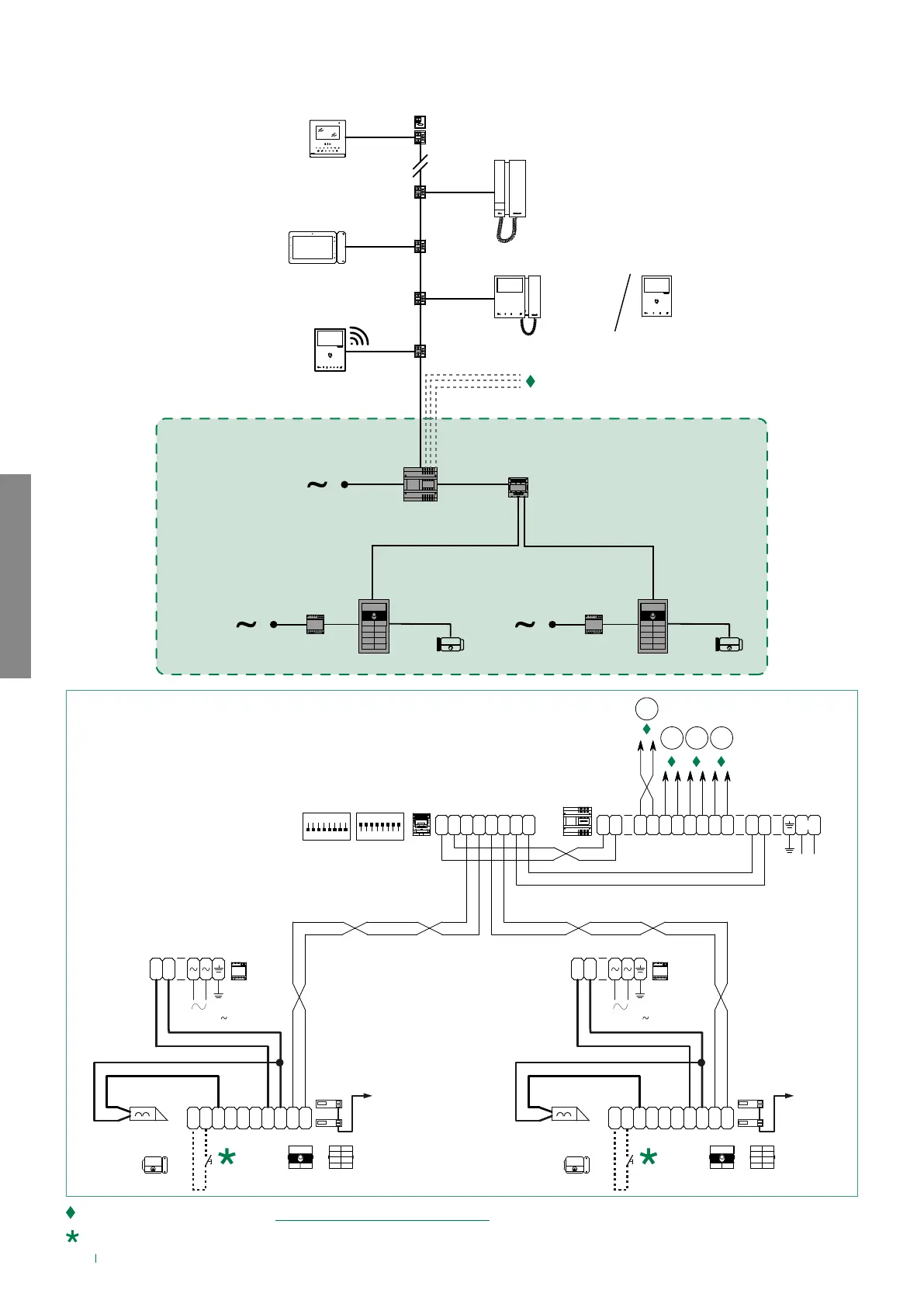
Apartment block video entry phone system with 1 to 4 risers with 2 entrance panels
4888C
1224A
6601W
2738W
2738W/A
6801W
6721W
6701W
6701W/8
6741W
1595
UT1020
1595
UT1020
P
L
P
L
S
L
S
L
M
L
M
L
+
~
~
-
1224A
~~
230V
L
4
L
2
L
3
L
1
L
2
L
3
L
4
L
IN
L
IN
L
1
4888C
432
1
-
+
~
E
T
R
GND
SE NO NC
C
O
M
LL
+
VV
-
UT1020 UT9200
120-230 V
-
+
1595
E
T
R
GND
SE NO NC
C
O
M
LL
+
VV
-
UT1020 UT9200
120-230 V
-
+
1595
ON
MIN
1 2 3 4 6 75 8
ON
MAX
1 2 3 4 6 75 8
Video entry system riser (see: “VIDEO ENTRY SYSTEM RISER”)
20 m MAX. Local door-opener button.

Table of Contents

Related product manuals