EasyManua.ls Logo

Comelit SIMPLEBUS2 - Cascade Switching Devices: STANDARD Mode & KIT 8461;8451

Comelit SIMPLEBUS2
46 pages
Print Icon
To Next Page IconTo Next Page
To Next Page IconTo Next Page
To Previous Page IconTo Previous Page
To Previous Page IconTo Previous Page
Loading...
8461X (/BM)
2
8451V (/BM)
30
8461I (/BM)
1404
L
M
L
M
L
S
L
S
LP
IN
LP
OUT
A
B
JP1
LL
O
D
E
T
R
NO
SE
-
SE
+
NC C
M
O
C
1209
L
N
110-240V
L2
L2
L1
L1
4893M
1404
L
M
L
M
L
S
L
S
LP
IN
LP
OUT
A
B
JP1
LL
O
D
E
T
R
NO
SE
-
SE
+
NC C
M
O
C
1209
L
N
110-240V
L2
L2
L1
L1
4893M
1404
L
M
L
M
L
S
L
S
LP
IN
LP
OUT
A
B
JP1
LL
O
D
E
T
R
NO
SE
-
SE
+
NC C
M
O
C
1209
L
N
110-240V
L2
L2
L1
L1
4893M
IN
21
IN
2
+
-
1
P
F
C
LL
P
F
C
-
S
+
S
6601W/
6601W/BM
~~
230V
L
4
L
2
L
3
L
1
L
2
L
3
L
4
L
IN
L
IN
L
1
4888C
-
+
~
6801W/
S
+
S
-
C
F
P
L L
C
F
P
1
-
+
2
IN
1 2
IN
6801W/BM
ON
S1
1 2 3 4 6 75 8
ON
S2
1 2 3 4 6 75 8
C
F
P
LL
C
F
P
1
2
6741W
6741W/BM
ON
S3
1 2 3 4
ON
S3
1 2 3 4
ON
S3
1 2 3 4
ON
S1
1 2 3 4 6 75 8
ON
S2
1 2 3 4 6 75 8
ON
S1
1 2 3 4 6 75 8
ON
S2
1 2 3 4 6 75 8
ON
S1
1 2 3 4 6 75 8
ON
S2
MIN MAX
1 2 3 4 6 75 8
ON
S1
1 2 3 4 6 75 8
ON
S2
MIN MAX
1 2 3 4 6 75 8
ON
S1
1 2 3 4 6 75 8
ON
S2
MIN MAX
1 2 3 4 6 75 8
E
T
R
GND
NO NC
C
O
M
LL
+
VV
-
UT1020 UT9200
120-230 V
-
+
1595
E
T
R
GND
SE
NO NC
C
O
M
LL
+
VV
-
UT1020 UT9200
120-230 V
-
+
1595
SIMPLEBUS2 AUDIO-VIDEO
40
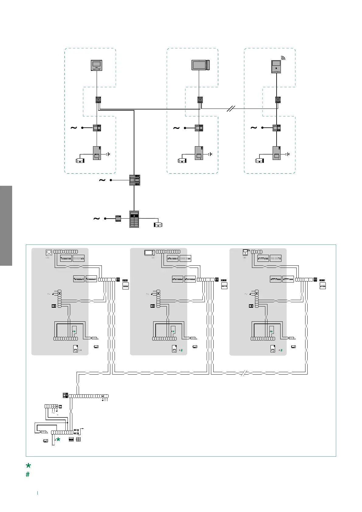
Switching devices in STANDARD mode and KIT 8461/8451 in cascade connection
20 m MAX. Local door-opener button.
For call address programming, please refer to the full manual for Art. 4893M
8461I - unit 1 8461X - unit 2 8451V - unit x
1404
1404 1404
6801W6601W
1209 1209
4893M4893M 4893M
1209
4888C
6741W
1595
UT1020

Table of Contents

Related product manuals