EasyManua.ls Logo

Comelit SIMPLEBUS2 - Remote Camera Module Applications: Art. 1259 C

Comelit SIMPLEBUS2
46 pages
Print Icon
To Next Page IconTo Next Page
To Next Page IconTo Next Page
To Previous Page IconTo Previous Page
To Previous Page IconTo Previous Page
Loading...
SIMPLEBUS2 AUDIO-VIDEO
44
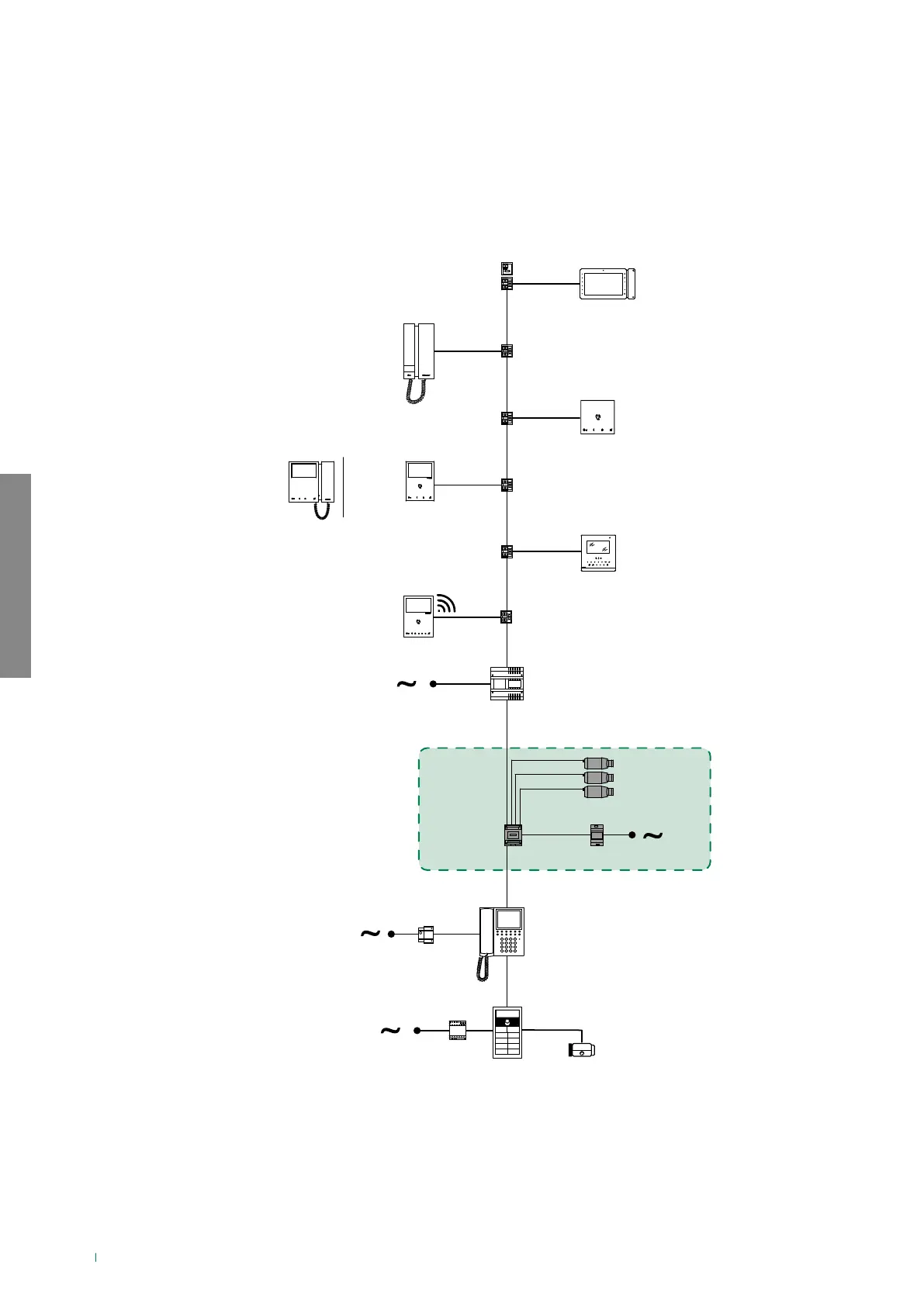
System with remote camera module Art. 1259C in generic actuator mode and porter
switchboard
1216
6701W
6701W/8
6721W
1214/2C
6601W
1214/2C
1214/2C
6801W
1214/2C
1214/2C
2738W
2738W/A
6750W
1259C
4888C
1200
1998VC
1195
6741W
1595
UT1020

Table of Contents

Related product manuals