EasyManua.ls Logo

Comelit SIMPLEBUS2 - Remote Camera Module Art. 1409

Comelit SIMPLEBUS2
46 pages
Print Icon
To Next Page IconTo Next Page
To Next Page IconTo Next Page
To Previous Page IconTo Previous Page
To Previous Page IconTo Previous Page
Loading...
SIMPLEBUS2 AUDIO-VIDEO
42
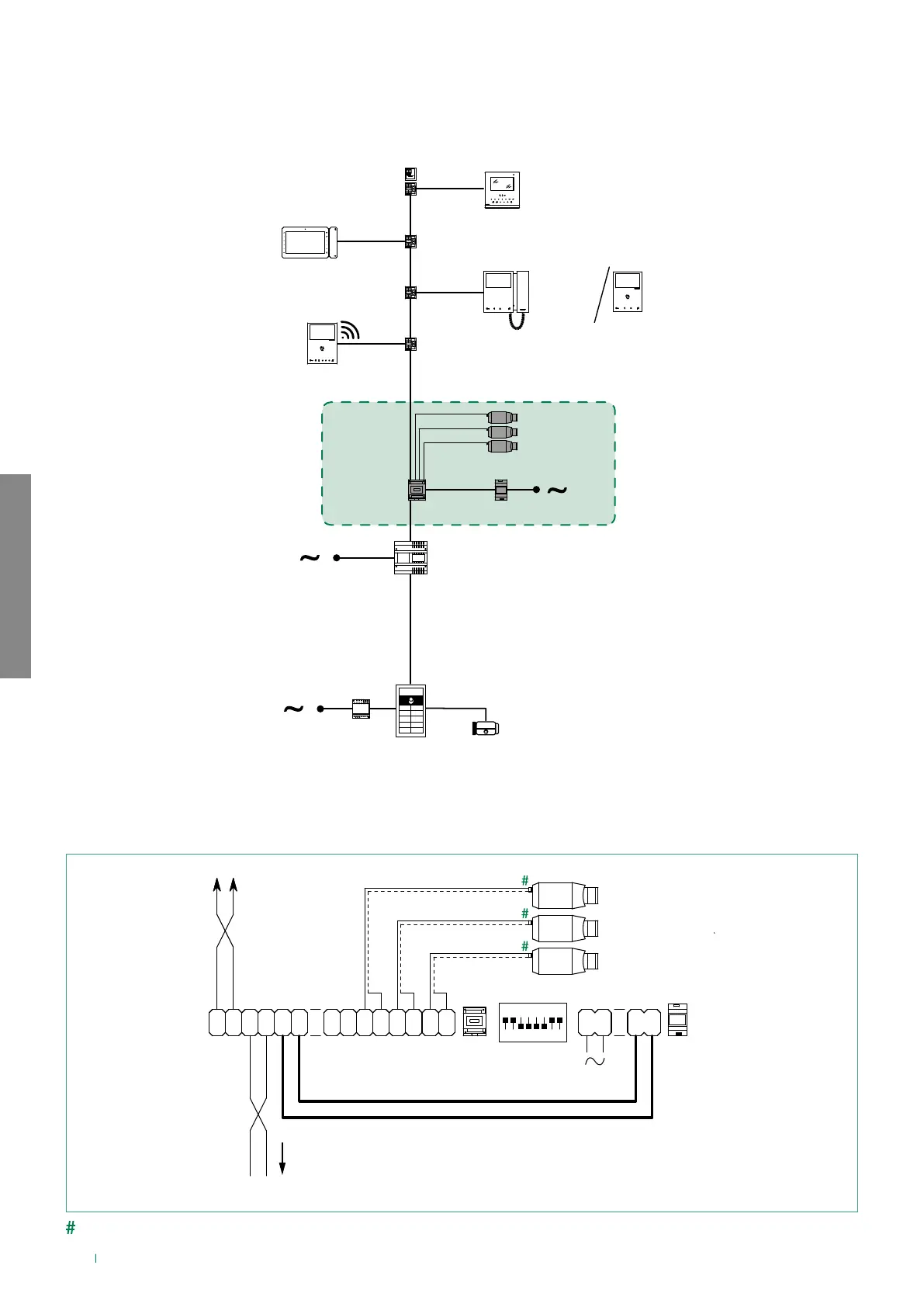
Addition of remote camera module Art. 1409
1409
G
N
DA
N
I
3
V S
32
SV
2
S
11
V
+
-
~ ~
LLL
OUT
L
OUT
IN IN
230V~
12V~
1200
4888C
ON
1 2 3 4 6 75 8
4888C
1409
1200
6701W
6701W/8
6721W
6741W
6601W
6801W
1595
UT1020
To be powered separately.

Table of Contents

Related product manuals