EasyManua.ls Logo

Comelit SIMPLEBUS2 - Multi-Entrance Systems: 1 Main Entrance

Comelit SIMPLEBUS2
46 pages
Print Icon
To Next Page IconTo Next Page
To Next Page IconTo Next Page
To Previous Page IconTo Previous Page
To Previous Page IconTo Previous Page
Loading...
SIMPLEBUS2 AUDIO-VIDEO
14
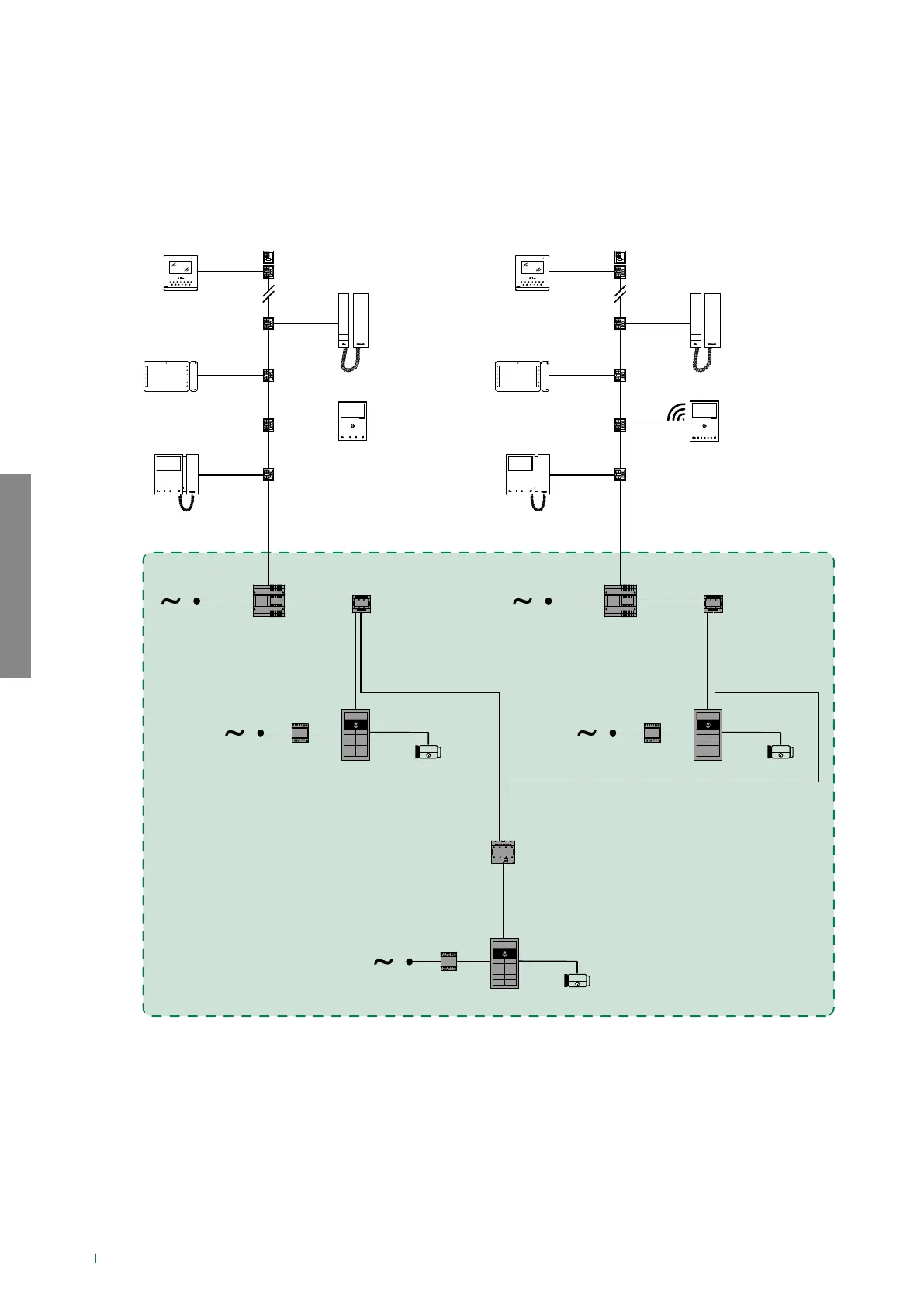
System with 1 main video entrance panel (max 9 secondary video units)
4888C
1224A
4888C
1224A
4834/9
6701W
6701W/8
6601W
2738W
2738W/A
6721W
6801W
6701W
6701W/8
6601W
2738W
2738W/A
6801W
6741W
1595
UT1020
1595
UT1020
1595
UT1020

Table of Contents

Related product manuals