EasyManua.ls Logo

Comelit SIMPLEBUS2 - Switching Devices: TOP1 Mode, Branched KIT 8461;8451; Branched KIT 8461;8451, External Unit in TOP Mode

Comelit SIMPLEBUS2
46 pages
Print Icon
To Next Page IconTo Next Page
To Next Page IconTo Next Page
To Previous Page IconTo Previous Page
To Previous Page IconTo Previous Page
Loading...
SIMPLEBUS2 AUDIO-VIDEO
36
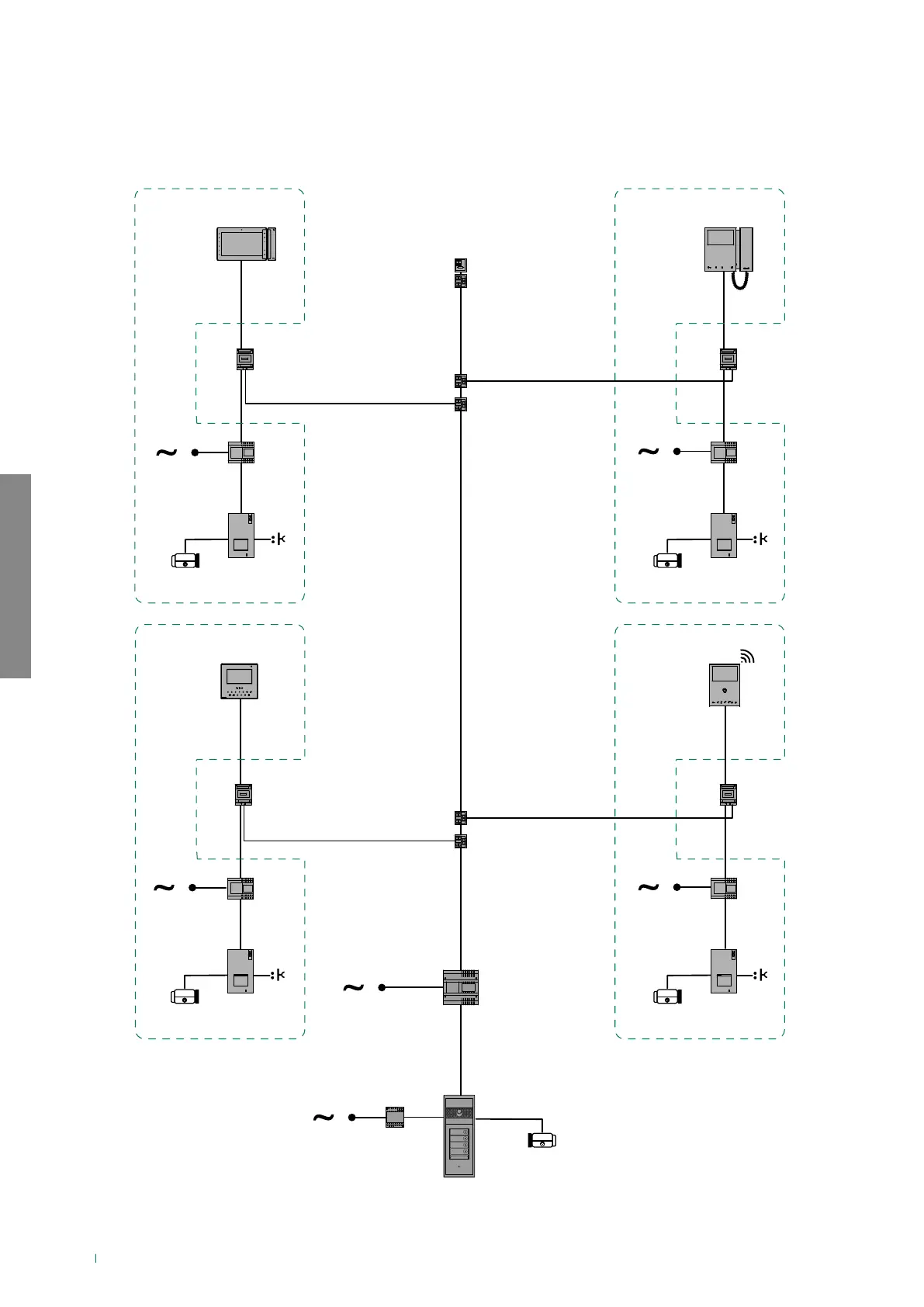
Switching devices in TOP1 mode, branched KIT 8461/8451, external unit in TOP mode
6741W
8461I - unit 1
8461M - unit 3
1404
6601W
1209
4893M
4893M
1209
6701W
6701W/8
8461X - unit 4
1404
6801W
1209
4893M
8451V - unit 2
4893M
1209
1216
1214/2C
1214/2C
1214/2C
14041404
1214/2C
1214/2C
4888C
1595
UT9270
UT1020

Table of Contents

Related product manuals