EasyManua.ls Logo

Comelit SIMPLEBUS2 - Simplebus TOP Systems: Mixed Porter Configurations

Comelit SIMPLEBUS2
46 pages
Print Icon
To Next Page IconTo Next Page
To Next Page IconTo Next Page
To Previous Page IconTo Previous Page
To Previous Page IconTo Previous Page
Loading...
SIMPLEBUS2 AUDIO-VIDEO
30
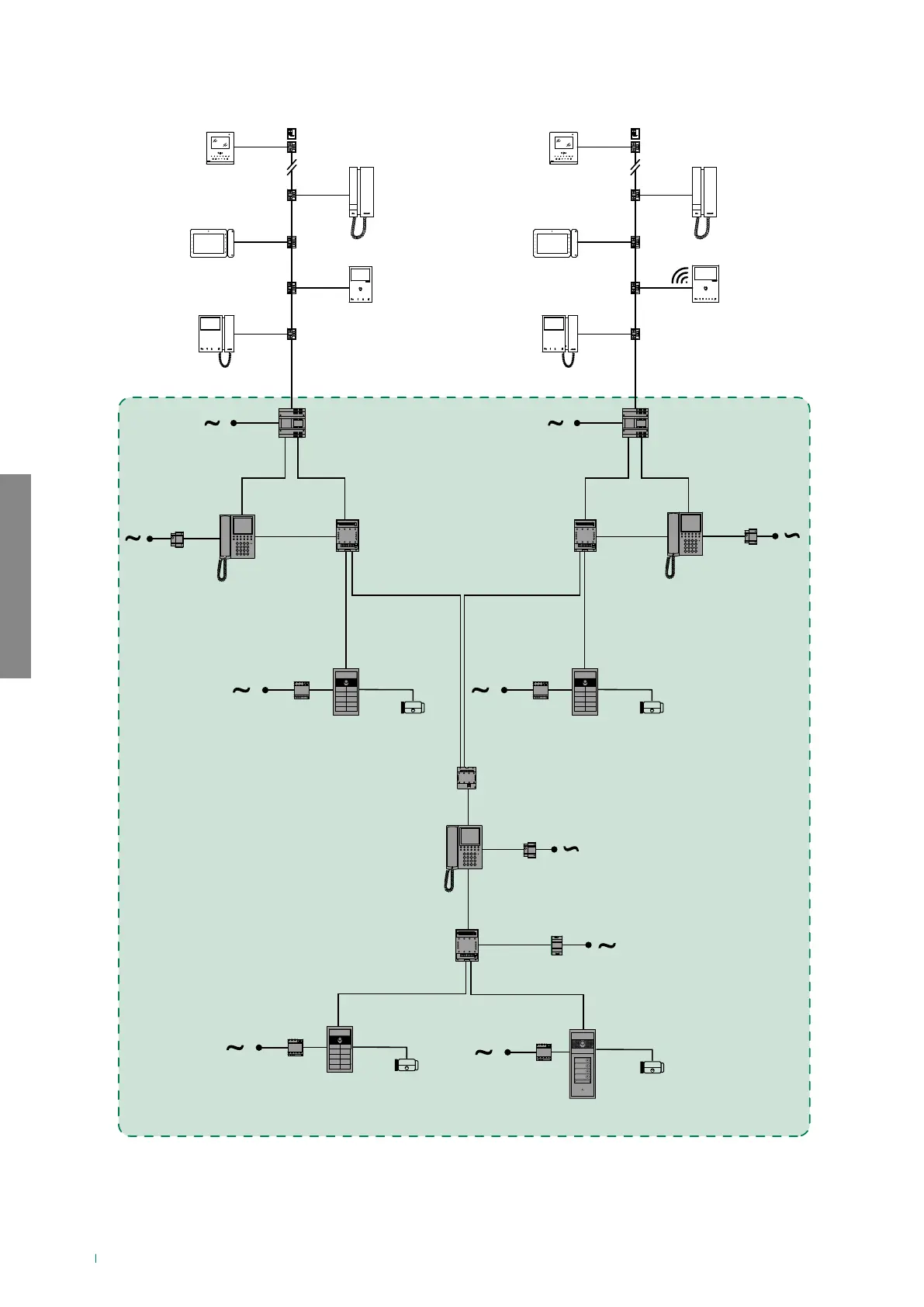
Simplebus TOP video entry phone system with 2 main entrances, 1 main porter
switchboard, 2 secondary entrances and corresponding porter switchboards
4888C
1424
6701W
6701W/8
6601W
2738W
2738W/A
6721W
6801W
1998VC
1195
JP1B A
ON ON
4888C
1424
6701W
6701W/8
6601W
2738W
2738W/A
6801W
JP1B A
ON ON
1998VC
1195
4834/9
1424
JP1B A
ON ON
1200
1998VC
1195
6741W
1595
UT1020
1595
UT1020
1595
UT1020
1595
UT9270
UT1020

Table of Contents

Related product manuals