EasyManua.ls Logo

Comelit SIMPLEBUS2 - Switching Devices: STANDARD Mode, Branched KIT 8461;8451; Branched KIT 8461;8451

Comelit SIMPLEBUS2
46 pages
Print Icon
To Next Page IconTo Next Page
To Next Page IconTo Next Page
To Previous Page IconTo Previous Page
To Previous Page IconTo Previous Page
Loading...
SIMPLEBUS2 AUDIO-VIDEO
38
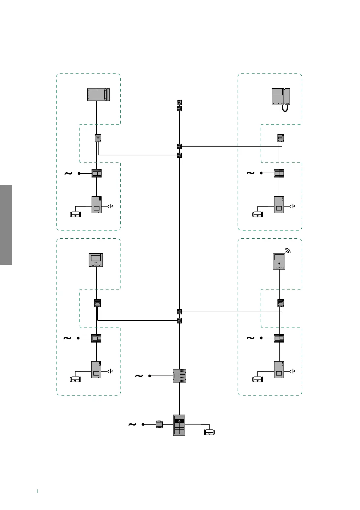
Switching devices in STANDARD mode, branched KIT 8461/8451
6741W
8461I - unit 1
8461M - unit 3
1404
6601W
1209
4893M
4893M
1209
6701W
6701W/8
8461X - unit 4
1404
6801W
1209
4893M
8451V - unit 2
4893M
1209
1216
1214/2C
1214/2C
1214/2C
14041404
1214/2C
1214/2C
4888C
1595
UT1020

Table of Contents

Related product manuals