EasyManua.ls Logo

Comelit SIMPLEBUS2 - Simplebus TOP Systems: Series Porter Configurations

Comelit SIMPLEBUS2
46 pages
Print Icon
To Next Page IconTo Next Page
To Next Page IconTo Next Page
To Previous Page IconTo Previous Page
To Previous Page IconTo Previous Page
Loading...
SIMPLEBUS2 AUDIO-VIDEO
32
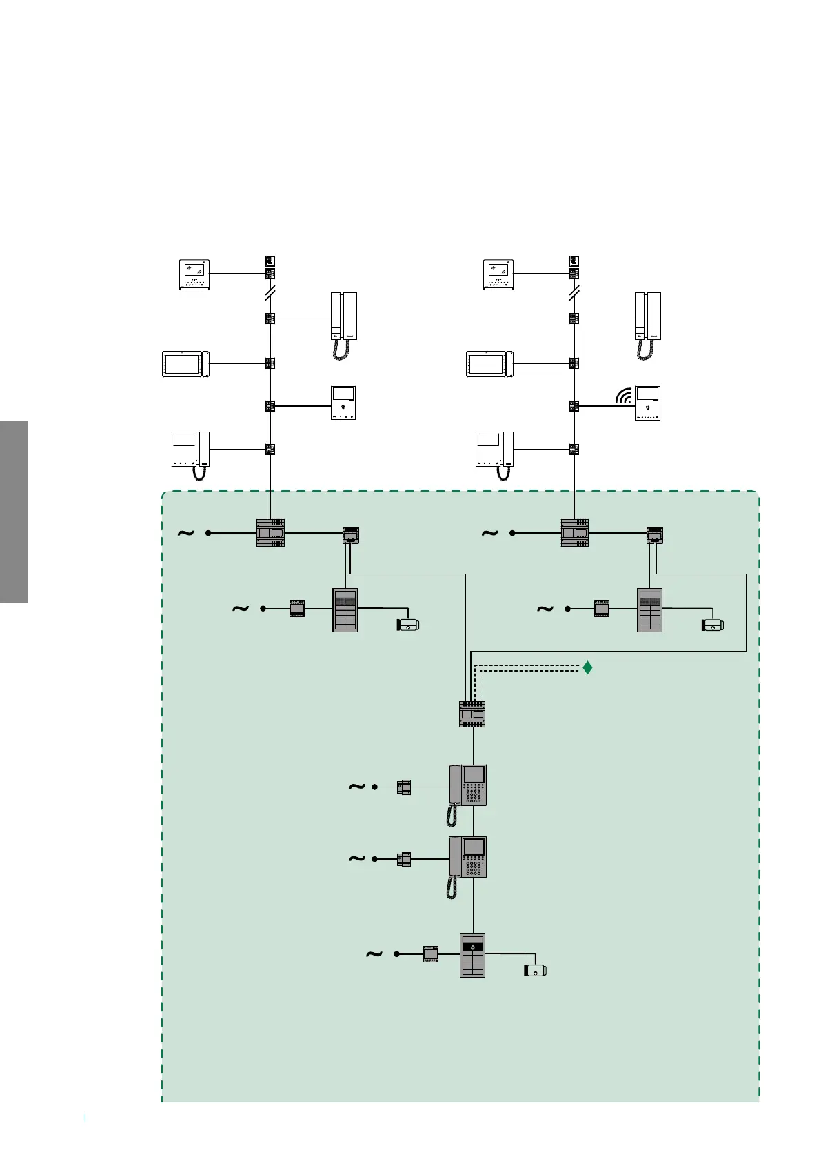
Simplebus TOP video entry phone system with 1 main entrance, 4 secondary entrances
and 2 main porter switchboards in SERIES
4888C
1224A
4888C
1224A
4933
6701W
6701W/8
6601W
2738W
2738W/A
6721W
6801W
6701W
6701W/8
6601W
2738W
2738W/A
6801W
1998VC
1195
1998VC
1195
6741W
1595
UT1010
1595
UT1010
1595
UT1020

Table of Contents

Related product manuals