EasyManua.ls Logo

Comelit SIMPLEBUS2 - Simplebus TOP Systems: 2 Main Entrances

Comelit SIMPLEBUS2
46 pages
Print Icon
To Next Page IconTo Next Page
To Next Page IconTo Next Page
To Previous Page IconTo Previous Page
To Previous Page IconTo Previous Page
Loading...
SIMPLEBUS2 AUDIO-VIDEO
28
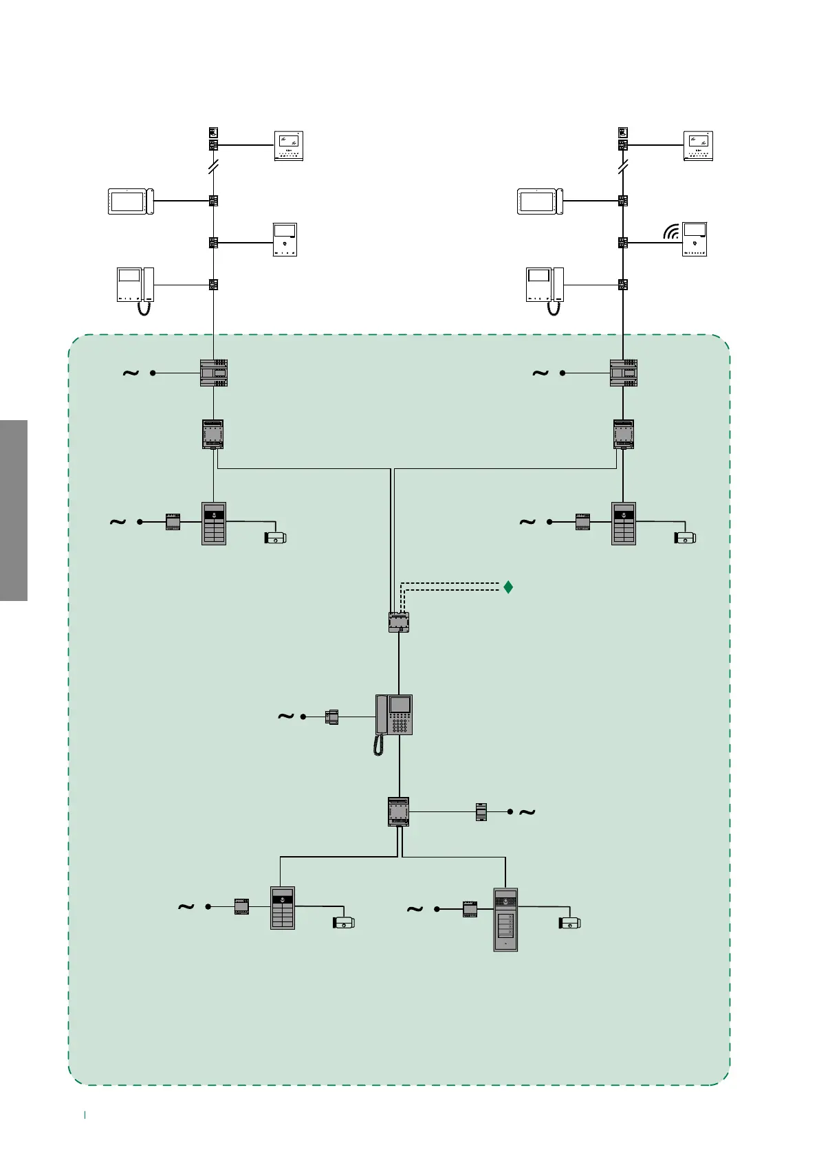
Simplebus TOP video entry phone system with 2 main entrances, 4 secondary entrances
and main porter switchboard
4834/9
1998VC
1195
1424
JP1B A
ON ON
1200
1595
UT9270
UT1020
4888C
6701W
6701W/8
6601W
6721W
6801W
4888C
6701W
6701W/8
6601W
6801W
1424
JP1B A
ON ON
1424
JP1B A
ON ON
6741W
1595
UT1020
1595
UT1020
1595
UT1020

Table of Contents

Related product manuals