EasyManua.ls Logo

Comelit SIMPLEBUS2 - TOP1 Mode Switching Device Wiring

Comelit SIMPLEBUS2
46 pages
Print Icon
To Next Page IconTo Next Page
To Next Page IconTo Next Page
To Previous Page IconTo Previous Page
To Previous Page IconTo Previous Page
Loading...
8461M (/BM)
8451V (/BM)
8461X (/BM)
8461I (/BM)
1 2 3 4 5 6
E
T
R
GND
NO NC
C
O
M
LL
+
VV
-
UT1020
120-230 V
-
+
1595
E
T
R
GND
SE NO NC
C
O
M
LL
+
VV
-
120-230 V
-
+
1595
UT9270
~~
230V
L
4
L
2
L
3
L
1
L
2
L
3
L
4
L
IN
L
IN
L
1
4888C
-
+
~
1404
L
M
L
M
L
S
L
S
LP
IN
LP
OUT
A
B
JP1
IN
21
IN
2
+
-
1
P
F
C
LL
P
F
C
-
S
+
S
6601W/
6601W/BM
LM
LM
OUT
L
IN
L
IN
L
OUT
L
1214/2C
LL
O
D
E
T
R
NO
SE
-
SE
+
NC C
M
O
C
1209
L
N
110-240V
L2
L2
L1
L1
4893M
1404
L
M
L
M
L
S
L
S
LP
IN
LP
OUT
A
B
JP1
LM
LM
OUT
L
IN
L
IN
L
OUT
L
1214/2C
LL
O
D
E
T
R
NO
SE
-
SE
+
NC C
M
O
C
1209
L
N
110-240V
L2
L2
L1
L1
4893M
TOP 1
TOP 1
LL
1216
LM
LM
OUT
L
IN
L
IN
L
OUT
L
1214/2C
1404
L
M
L
M
L
S
L
S
LP
IN
LP
OUT
A
B
JP1
TOP 1
LL
O
D
E
T
R
NO
SE
-
SE
+
NC C
M
O
C
4893M
L
N
110-240V
L2
L2
L1
L1
1209
C
F
P
LL
C
F
P
1
2
6801W/
S
+
S
-
C
F
P
L L
C
F
P
1
-
+
2
IN
1 2
IN
6801W/BM
LM
LM
OUT
L
IN
L
IN
L
OUT
L
1214/2C
1404
L
M
L
M
L
S
L
S
LP
IN
LP
OUT
A
B
JP1
TOP 1
LL
O
D
E
T
R
NO
SE
-
SE
+
NC C
M
O
C
4893M
L
N
110-240V
L2
L2
L1
L1
1209
C
F
P
LL
C
F
P
1
2
6701W
6701W/8
6701W/BM
6741W
6741W/BM
ON
S1
1 2 3 4 6 75 8
ON
S2
1 2 3 4 6 75 8
ON
S1
1 2 3 4 6 75 8
ON
S2
1 2 3 4 6 75 8
ON
S1
1 2 3 4 6 75 8
ON
S2
1 2 3 4 6 75 8
ON
S1
1 2 3 4 6 75 8
ON
S2
1 2 3 4 6 75 8
ON
S1
1 2 3 4 6 75 8
ON
S2
MIN MAX
1 2 3 4 6 75 8
ON
S1
1 2 3 4 6 75 8
ON
S2
MIN MAX
1 2 3 4 6 75 8
ON
S3
1 2 3 4
ON
S3
1 2 3 4
ON
S3
1 2 3 4
ON
S3
1 2 3 4
ON
S1
1 2 3 4 6 75 8
ON
S2
MIN MAX
1 2 3 4 6 75 8
ON
S1
1 2 3 4 6 75 8
ON
S2
MIN MAX
1 2 3 4 6 75 8
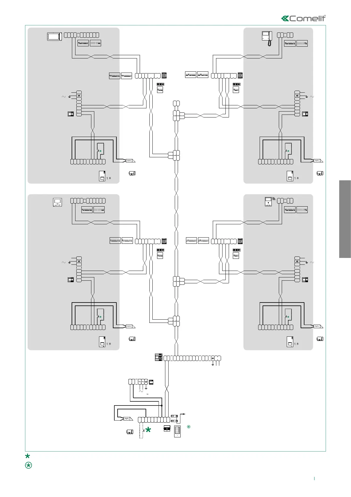
SIMPLEBUS2 AUDIO-VIDEO
37
20 m MAX. Local door-opener button.
Main port in TOP mode.

Table of Contents

Related product manuals