EasyManua.ls Logo

Control Techniques Dinverter A - Page 59

Control Techniques Dinverter A
94 pages
Print Icon
To Next Page IconTo Next Page
To Next Page IconTo Next Page
To Previous Page IconTo Previous Page
To Previous Page IconTo Previous Page
Loading...
Dinverter
A
User Guide
Issue code: d2au9
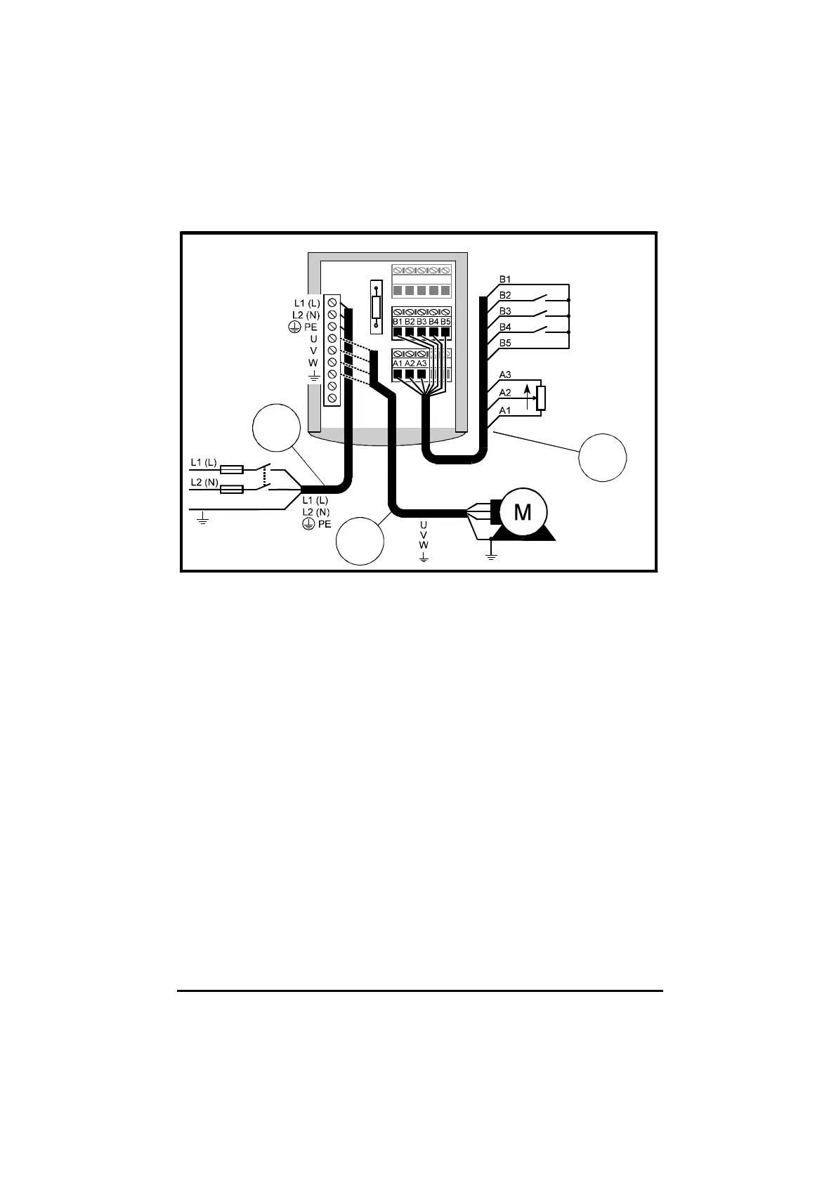
55
3 ×
2.5mm
(14AWG)
2
4 ×
1.0mm
(18AWG)
2
8 ×
0.5mm
(20AWG)
2
RUN FORWARD
RUN REVERSE
DRIVE ENABLE
Speed
reference
0V common
+10V
0V common
5klinear
(2k min)
(Parameter 0.05 set 0 (default).)
Figure 4–16 Temporary connections for bench-testing the Drive
in Terminal mode

Table of Contents

Related product manuals