EasyManua.ls Logo

Crane BevMax 4 - Vender Wiring Diagram Power & Fluorescent Lighting (Export Only)

Crane BevMax 4
103 pages
Print Icon
To Next Page IconTo Next Page
To Next Page IconTo Next Page
To Previous Page IconTo Previous Page
To Previous Page IconTo Previous Page
Loading...
60
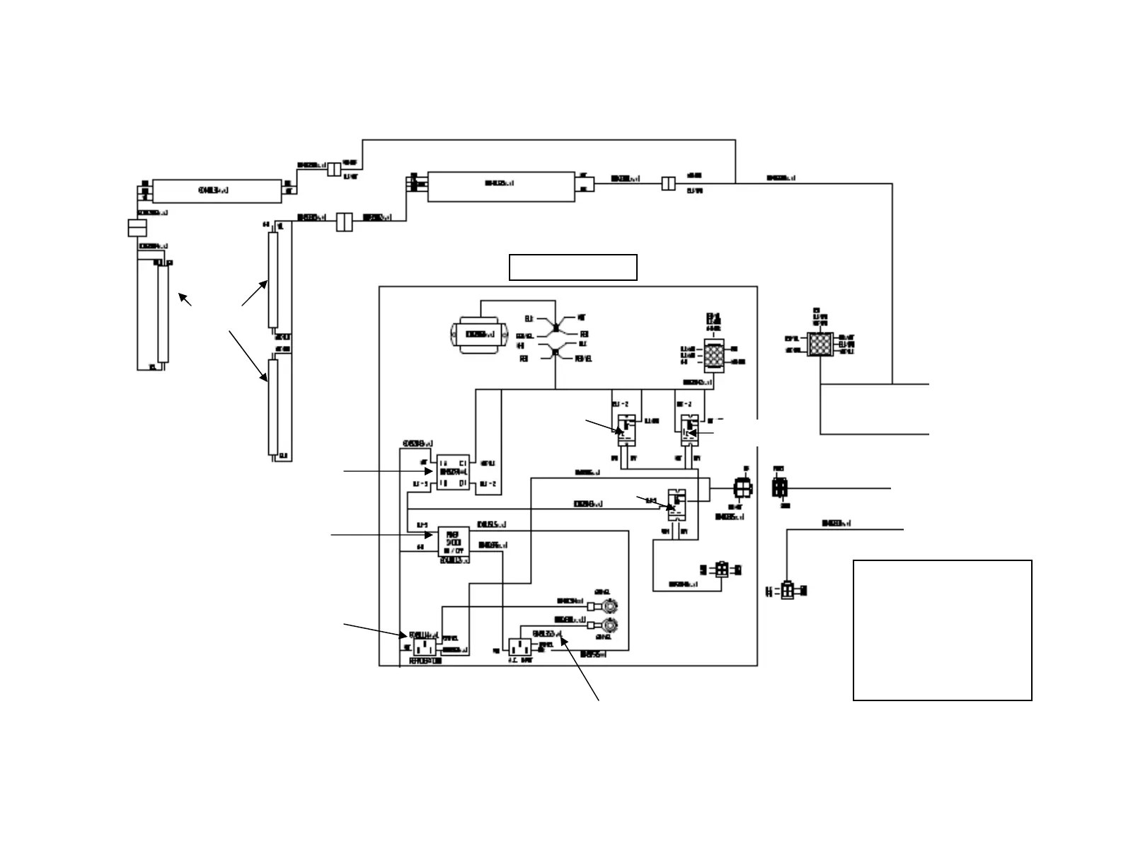
BevMax 4 5800-4/3800-4 Export Power & Fluorescent Lighting Diagram
BevMax 4 Wiring
Diagram
Pg 3 of 3
803,889,16x.x1 Exp. Fluor.
Refri
g
eration AC In
p
ut
Switch
80410112
Transformer
80492868
80492843
80492842
Choke
80492691
Ballast
80440135
Ballast
80440134
80492883
80492884
80492885
80492883
80492882
80492819
AC Distribution Box
Comp. relay
Light relay
Fan relay
80492881xx1
80492895
80492843
80492840
80491384
80491362
80491381
80491114
IEC 320
80492828
80492871
To Cold Control
To Evaporator Fan
BLK/BRN WHT/BRN
To Cabinet
To Cabinet
80492876
Lam
p

Table of Contents

Related product manuals