EasyManua.ls Logo

Crane BevMax 4 - Vender Wiring Diagram Power & LED Lighting (Export Only)

Crane BevMax 4
103 pages
Print Icon
To Next Page IconTo Next Page
To Next Page IconTo Next Page
To Previous Page IconTo Previous Page
To Previous Page IconTo Previous Page
Loading...
61
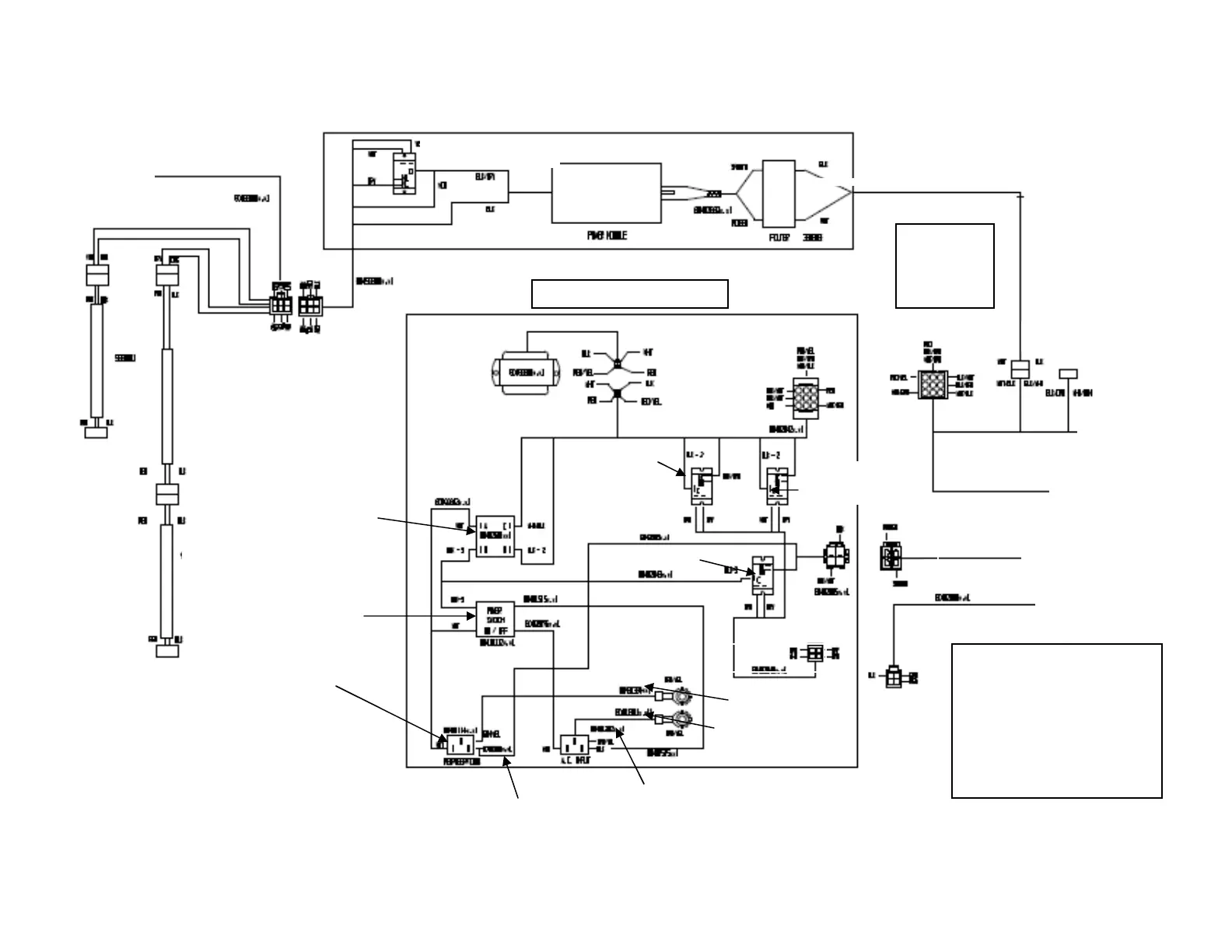
BevMax 4 5800-E4/3800-E4 Export Power & LED Lighting Diagram
BevMax 4 Wiring
Diagram
Pg 3 of 3
803,889,53x.x1 Exp. LED
LED Lite
80492886
Power
Module
9985055
80492887
Relays (4)
80420026
Light, fan,
LED, &
compressor
Fan relay
Light relay
Comp. relay
80492843
80492691 Choke
80491384
80492840
80491381
80492895
80491114
80410112
Green rocker switch
80492871
To Cabinet
To Cold Control
80492819
To Evap. Fan
To Cabinet
80492842
80492868
Transformer
AC Distribution Box
Refri
g
eration AC In
p
ut
80491362
To Cabinet
80492886
80492895
80420026 LED Relay
LED Lite
LED
Lite
80492876
80492895
80492843
380303

Table of Contents

Related product manuals