EasyManua.ls Logo

Cray CRAY-1 - Page 205

Default Icon
216 pages
Print Icon
To Next Page IconTo Next Page
To Next Page IconTo Next Page
To Previous Page IconTo Previous Page
To Previous Page IconTo Previous Page
Loading...
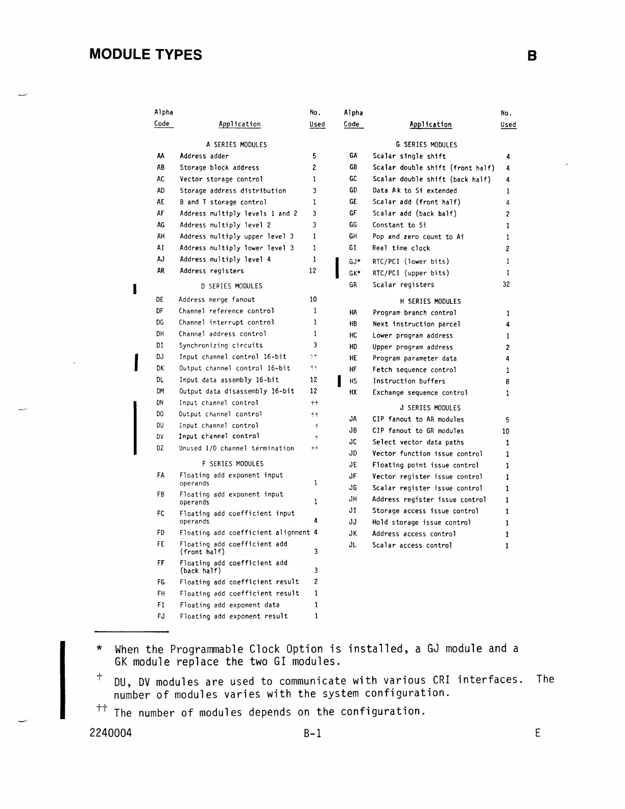
MODULE TYPES
Alpha
No.
Alpha
No.
Code
AQQlication
Used
Code
AQ~11cation
Used
A
SERIES
MODULES
G
SERIES
MODULES
AA
Address adder
5
GA
Scalar
single
shift
4
AB
Storage block address
2
GB
Scalar
double
shift
(front
half)
4
AC
Vector storage control
GC
Scalar
double
shift
(back
half)
4
AD
Storage address
distribution
GD
Data
A k to
Si
extended
AE
Band T storage control
GE
Scalar
add
(front
half)
4
AF
Address
multiply
levels
1
and
GF
Scalar
add
(back
balf)
AG
Address multiply level 2
GG
Constant to
Si
AH
Address multiply upper level
GH
Pop
and
zero count to
Ai
AI
Address multiply lower
1 evel
GI
Real
time clock
2
AJ
Address multiply level
4 1
I
GJ*
RTC/PCI
(lower
bits)
AR
Address
registers
12
GK*
RTCjPCI
(upper
bits)
I
D
SERIES
MODULES
GR
Scalar
registers
32
DE
Address
merge
fanout
10
H
SERIES
MODULES
DF
Channel
reference control
HA
Program branch control
DG
Channel
interrupt
control
HB
Next
instruction
parcel
4
DH
Channel
address control
HC
Lower
program
address
1
DI
Synchronizing
circuits
HD
Upper
program
address
2
I
DJ
Input channel control
16-bit
-'-+
HE
Program parameter data
4
DK
Output channel control
16-bit
~+
HF
Fetch sequence control
1
DL
Input data assembly
16-bit
12
I
HS
Instruction
buffers
8
DM
Output data disassembly
16-bit
12
HX
Exchange
sequence control
1
ON
Input channel control
tt
J
SERIES
MODULES
DO
Output channel control
tt
JA
CIP
fanout to
AR
modules
OU
Input channel
control
JB
CIP
fanout to
GR
modules
10
OV
Input
c~annel
control
JC
Select
vector data paths
DZ
Unused
I/O
channel termination
~+
JD
Vector function issue control
F
SERIES
MODULES
JE
Floating point issue control
FA
Floating
add
exponent
input
JF
Vector
register
issue control
operands
JG
Scalar
register
issue control
FB
Floating
add
exponent
input
JH
Address
register
issue control
operands
FC
Floating
add
coefficient
input
JI
Storage access issue control
operands
4
JJ
Hold
storage issue control
FO
Floating
add
coefficient
alignment 4
JK
Address access control
FE
Floating
add
coefficient
add
JL
Scalar
access control
(front
half)
FF
Floating
add
coefficient
add
(back
half)
FG
Floating
add
coefficient
result
FH
Floating
add
coefficient
result
FI
Floating
add
exponent data
FJ
Floating
add
exponent
result
*
When
the Programmable Clock Option
is
installed,
a
GJ
module
and
a
GK
module
replace the
two
GI
modules.
8
t
DU,
DV
modules are used to communicate with various
CRr
interfaces.
The
number
of
modules
varies
with
the
system
configuration.
tt
The
number
of
modules depends
on
the
configuration.
2240004
8-1
E

Table of Contents