EasyManua.ls Logo

Cray CRAY-1 - Page 206

Default Icon
216 pages
Print Icon
To Next Page IconTo Next Page
To Next Page IconTo Next Page
To Previous Page IconTo Previous Page
To Previous Page IconTo Previous Page
Loading...
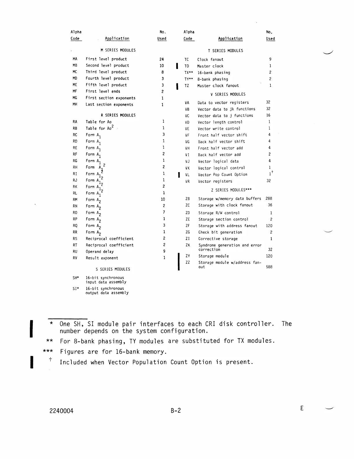
Alpha
No.
Alpha
No,
Code
Aeelication
Used
Code
Ae~11cat1on
Used
M
SERIES
MODULES
T
SERIES
MODULES
MA
First
level product
24
TC
Clock
fanout
9
MB
Second
level product
10
I
TO
Master clock
1
MC
Third level product
8
TX**
16-bank phasing
2
MD
Fourth level product
3
TV**
8-bank phasing
ME
Fifth
level product
I
TZ
Master clock fanout
MF
First
level ends
2
V
SERIES
MODULES
MG
First
section exponents
MH
Last section exponents
VA
Data
to vector
registers
32
VB
Vector data to jk functions
32
R
SERIES
MODULES
VC
Vector data to j functions
16
RA
Table for
Ao
VD
Vector length control
1
RB
Table for
Ao2
VE
Vector write control
RC
Form
Al
VF
Front
half
vector
shift
RD
Form
Al
VG
Back
half
vector
shift
RE
Form
Al
VH
Front
half
vector
add
4
RF
Form
Al
2
VI
Back
half
vector
add
2
RG
Form
Al
VJ
Vector logical data
4
RH
FOnT!
A 2
VK
Vector logical control
1
RI
Form
A12
VL
Vector
Pop
Count
Option
It
RJ
FOnT!
A12
VR
Vector
registers
32
RK
Form
A/
Form
A12
Z
SERIES
MODULES***
RL
RM
Form
A2
10
ZB
Storage
w/memory
data buffers
288
RN
FOnT!
A2
ZC
Storage with clock fanout
36
RO
FOnT!
A2
ZD
Storage
R/W
control
RP
Form
A2
ZE
Storage
section
control
RQ
FOnT!
A2
ZF
Storage with address fanout
120
RR
FOnT!
A2
ZG
Check
bit
generation
2
RS
Reciprocal
coefficient
ZI
Corrective storage
RT
Reciprocal
coefficient
2
ZK
Syndrome
generation
and
error
RU
Operand
delay
9
correction
32
RV
Result exponent
I
ZV
Storage
module
120
ZZ
Storage
module
w/address fan-
S
SERIES
MODULES
out
588
SH*
16-bit
synchronous
input data assembly
SI*
16-bit
synchronous
output data assembly
I
*
One
SH,
SI
module
pair
interfaces
to each
eRI
disk
controller.
The
number
depends
on
the system configuration.
**
For
8-bank phasing,
TY
modules
are
substituted
for
TX
modules.
***
Figures are
for
16-bank
memory.
I
t
Included
when
Vector Population
Count
Option
is
present.
2240004
B-2
E

Table of Contents