EasyManua.ls Logo

Dahua NVR5464-4KS2-V2 - NVR54-4 KS2;NVR54-16 P-4 KS2;NVR58-4 KS2;NVR58-16 P-4 KS2;NVR54-24 P-4 KS2;NVR54- 16 P-4 KS2 E;NVR58-16 P-4 KS2 E Series

Dahua NVR5464-4KS2-V2
485 pages
Print Icon
To Next Page IconTo Next Page
To Next Page IconTo Next Page
To Previous Page IconTo Previous Page
To Previous Page IconTo Previous Page
Loading...
User's Manual
107
16P-4KS2/L/NVR42-EI/NVR42-P-EI/NVR42-8P-EI/NVR42-16P-EI
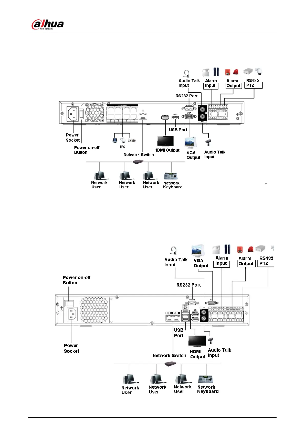
Figure 3-53 Typical connection
3.5.7 NVR54-4KS2/NVR54-16P-4KS2/NVR58-4KS2/NVR58-16P-
4KS2/NVR54-24P-4KS2/NVR54-16P-4KS2E/NVR58-16P-4KS2E Series
Figure 3-54 Typical connection

Table of Contents

Related product manuals