EasyManua.ls Logo

Danfoss TMT W FL - Exploded View TMT FL

Danfoss TMT W FL
64 pages
Print Icon
To Next Page IconTo Next Page
To Next Page IconTo Next Page
To Previous Page IconTo Previous Page
To Previous Page IconTo Previous Page
Loading...
TMT FL
151Z15.13
Tightening Torque
Item 43: 7.5 - 10.5 Nm [66 - 93 lbf.in]
Item 48: 65 - 35 Nm [575 - 750 lbf.in]
Repair Instruction
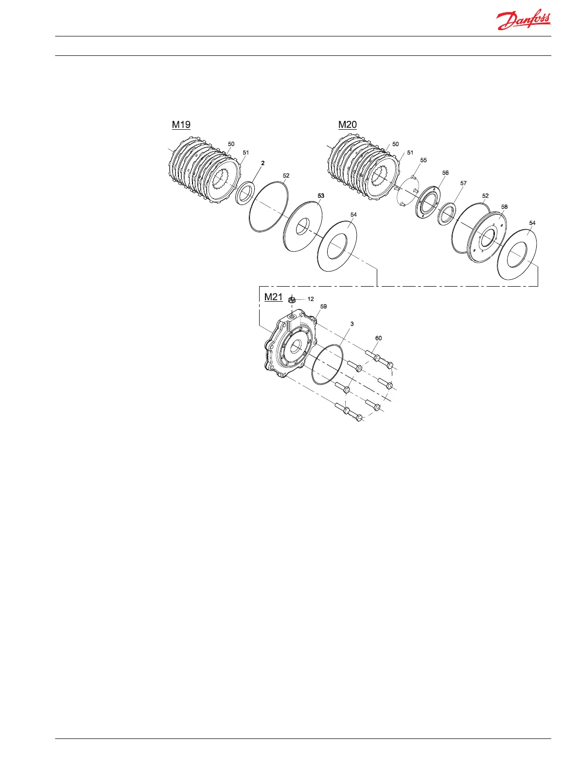
Orbital Motors TMT, TMT FL and TMT W FL
Exploded View TMT FL
520L0351 • Rev EA • Feb 2014 25

Related product manuals