EasyManua.ls Logo

Datafox EVO 3.5 Pure - Page 83

Datafox EVO 3.5 Pure
135 pages
Print Icon
To Next Page IconTo Next Page
To Next Page IconTo Next Page
To Previous Page IconTo Previous Page
To Previous Page IconTo Previous Page
Loading...
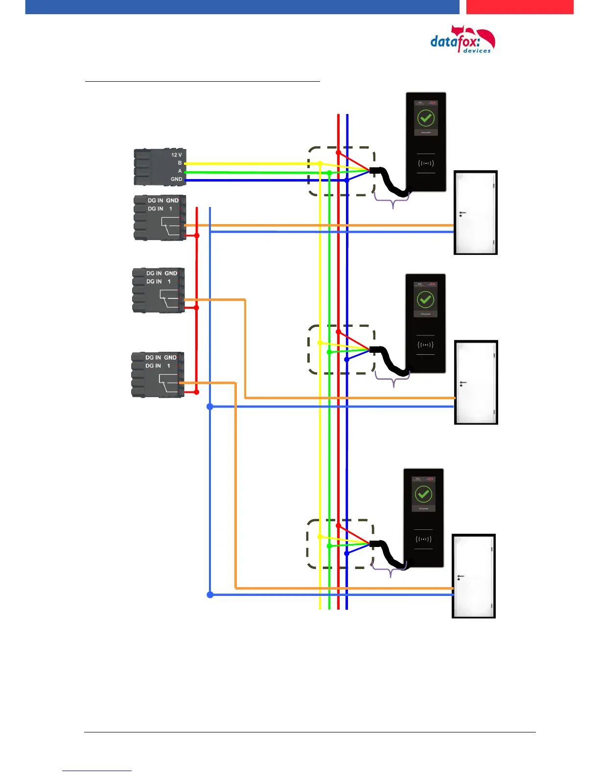
Handbuch Datafox EVO 3.5 Pure Seite 77 Datum: 06.08.2018 Version: 04.03.07.XX
Wire plan for 3 doors, 3 Relays in the EVO 3.5 Pure:
M1
SIM
12VDC
USB
GPRS
GPS
RS232
M7
LAN
M8
485-A
485-B
12V
GND
M3
M2
DGND
D IN1
Relais
ZK
485-A
485-B
HK
Variante mit RS485 Haupt-
kommunikation
Bus Nr. 1
supply 12 30 V + -
+ - supply for door opener
Bus Nr. 2
Bus Nr. 3
max. 2,5m
more reader possible
max. 2,5m
max. 2,5m

Table of Contents

Other manuals for Datafox EVO 3.5 Pure

Related product manuals