EasyManua.ls Logo

Denon AVR-X1100W

Denon AVR-X1100W
171 pages
To Next Page IconTo Next Page
To Next Page IconTo Next Page
To Previous Page IconTo Previous Page
To Previous Page IconTo Previous Page
Loading...
BD3812F (DIGITAL_ANALOG : IC851)
NJM2595MTE1 (DIGITAL_ANALOG : IC881)
8IGLRMGEP2SXI
6/9
www.rohm.com
2010.06 - Rev.A
© 2010 ROHM Co., Ltd. All rights reserved.
BD3812F
-10
-8
-6
-4
-2
0
2
4
6
8
10
10 100 1000 10000 100000
FREQUENCY (Hz)
0.001
0.01
0.1
1
10
0.001 0.01 0.1 1 10
INPUT VOLTAGE (Vrms)
-5
0
5
10
15
20
10 100 1000 10000 100000
FREQUENCY (Hz)
0.0001
0.001
0.01
0.1
1
10
0.001 0.01 0.1 1 10
INPUT VOLTAGE (Vrms)
-2. 5
-2
-1. 5
-1
-0. 5
0
0.5
1
1.5
2
2.5
024 6810
POWER SUPPLY (V)
Application circuit
UNIT
RESISTOR :
CAPACITOR : F
Fig.2
Reference data
LOGIC
1
2
3
4
5
6
7
8
9
10
11
12
13
14
CL
DA
MUTE
SEL
DGND
OUT1
OUT2
10µ
10
VEE
AGND
VCC
IN1
IN2
47
47µ
AGND
AGND
Fig.3 Circuit current - Power supply
Fig.4 Voltage gain - Frequency
Fig.5 Output voltage - Input voltage
Fig.6 THD+N - Input voltage
Fig.7 Output gain - Frequency
VCC
VEE
0, 6 18dB
2dB/step
NJM2595
- 1 -
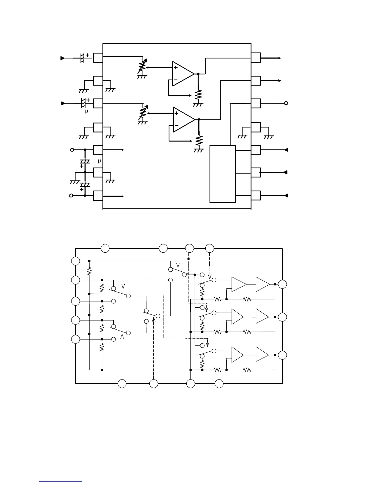
5-INPUT 3-OUTPUT VIDEO SWITCH
GENERAL DESCRIPTION PACKAGE OUTLINE
FEATURES
5-input 3-output
Operating Voltage ±4.0 to ±6.5V
Operating current ±15mAtyp. at Vcc=±5V
Crosstalk -65dBtyp.
Internal 6dB Amplifier
Internal 75 Driver
Bipolar Technology
Package Outline DIP16,DMP16
PIN CONFIGURATION and BLOCK DIAGRAM
13
9
7
5
3
20k
20k
20k
20k
16
10 14 2
1
15
11
81264
6dB
Amp
75
Driver
S3
S2
S4
S1
20k
20k
20k
S5
S6
S7
Vin1
Vin2
Vin3
Vin4
Vin5
SW3 SW4
SW5SW1SW2V
+
GND V
-
Vout3
Vout2
Vout1
6dB
Amp
6dB
Amp
75
Driver
75
Driver
The NJM2595 is a 5-input 3-output video switch. Its switches
select one from five signals received from VTR,TV,DVD,
TV-GAME and others.
The NJM2595 is designed for audio items, such as AV amplifier
and others.
NJM2595D NJM2595M
146

Table of Contents

Other manuals for Denon AVR-X1100W

Related product manuals