EasyManua.ls Logo

Doosan DP158LDF - Engine Assembly; Procedure of Assembling Engine

Doosan DP158LDF
160 pages
Print Icon
To Next Page IconTo Next Page
To Next Page IconTo Next Page
To Previous Page IconTo Previous Page
To Previous Page IconTo Previous Page
Loading...
5. About the engine
95
Engine Assembly
Procedure of Assembling Engine
Assemble the engine in the following order.
1. Attach tthe valve tapet and the oil spray nozzle.
DV2213095A
1) Attatch the valve tapet(D).
2) Attatch 24 valve tapets as the same procedure.
3) Attach the oil spray nozzle(C).
4) Tighten 1 M14 hollow screw(B) at a tightening torq
ue
of
7 kgf·m.
5) Tighten 2 M6 fixing bolts(A) at a tightening torque of
1.2 kgf•m.
6) Attaht 12 oil spray nozzle as the same procedure.
2. Attach the crankshaft.dps
DV2213093A
1) Attach the main bearing and the thrust bearing.
2) Attach the crankshaft(D).
3) Attach the bearing cap(C).
4) Attach 12 bearing cap as the same procedure.
5) Tighten M18 bearing cap bolt(B) at a tightening torq
ue
of
30 kgf·m + 90° by using the angle method.
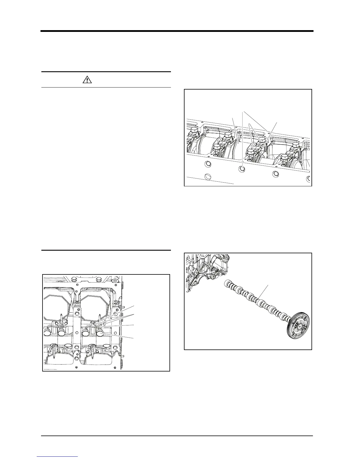
3. Attach the camshaft.
DV2213094A
1) Apply engine oil inside cam hole and outside cam
journal of the cylinder block.
2) Attach the camshaft(A) to the cylinder block.
3) Align the cam gear marking to the crankshaft gear
marking(Timing mark).
Note) The engraved marks is “1”.
CAUTION
Cleanse all disassembled and disconnected parts.
Especially, clean the oil and coolant path with
compressed air and check if there is any resis-
tance.
Arrange general tools and special tools for
engine assembly.
Prepare clean engine oil to be applied on eac
h
s
liding component.
Prepare repair materials such as sealant
and
g
askets.
Replace used gaskets, seal rings, and expendable
parts with new ones.
Each bolt should be tightened with the specifi
ed
t
ightening torque in the order of tightening;
however, excessive tightening torque shoul
d be
a
voided.
Ensure that all engine parts are successfully
operating after reassembly.
Check if any bolts are loose after the first
assembly.
Always keep hands clean during assembly.
A
B
C
D
A
D
C
B

Table of Contents

Related product manuals