EasyManua.ls Logo

Doosan DP158LDF - Page 89

Doosan DP158LDF
160 pages
Print Icon
To Next Page IconTo Next Page
To Next Page IconTo Next Page
To Previous Page IconTo Previous Page
To Previous Page IconTo Previous Page
Loading...
7. Lubrication system
125
General information
General Information
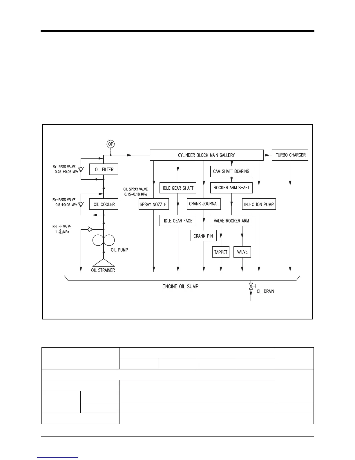
This engine is the forced lubrication type of engine. Oil
pressure is generated and delivered by rotating the gear
of the oil pump which is directly engaged with the crank-
shaft gear on the front of the cylinder block.
The oil pump delivers oil sucked from the oil pan with
the suction pipe to the main path of the cylinder block
through the oil cooler and oil filter.
From the cylinder block, oil is delivered to the crankshaft
bearings, camshaft bearings, and rocker arm for lubrica-
tion.
In addition, the turbocharger is connected to the engine
lubrication circuit. Around the cylinder block and the
timing gear, lubricating oil is dispersed. Each cylinder has
an oil injection nozzle for cooling the bottom of the piston.
Engine oil is filtered through the oil filter and purified.
DV2213101A
Specifications
Item
DP158L
Remarks
DP158LCS DP158LCF DP158LDS DP158LDF10
Lubrication System
Lubrication method Fully forced pressure feed type
Oil pump
Type Gear type
Driving type Driven by crankshaft gear
Oil filter Full flow, Cartridge type

Table of Contents

Related product manuals