EasyManua.ls Logo

Edgewater Networks 388CC - Page 297

Edgewater Networks 388CC
395 pages
Print Icon
To Next Page IconTo Next Page
To Next Page IconTo Next Page
To Previous Page IconTo Previous Page
To Previous Page IconTo Previous Page
Loading...
SEASTAR and BAYSTAR Hydraulic Steering Systems
5-3
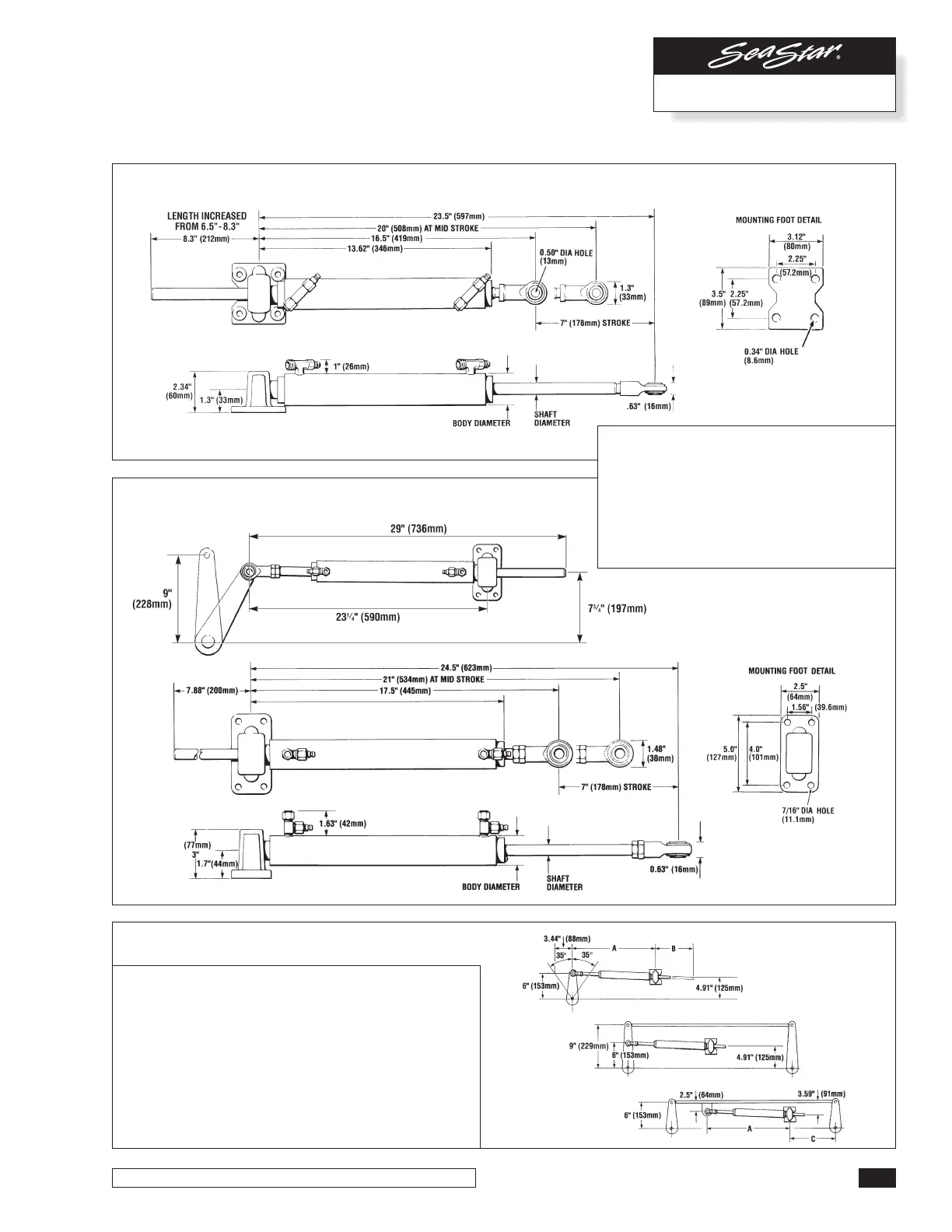
General Dimensions–SeaStar
MOUNTING CONFIGURATION DIMENSIONS
CYLINDER PART
MODEL #A B C
BA125-7ATM HC5312 20" (508) 6.5" (165) 8.5" (216)
BA135-7ATM HC5313 20" (508) 6.5" (165) 8.5" (216)
BA150-7ATM HC5314 20" (508) 6.5" (165) 8.5" (216)
BA150-7TM HC5318 21" (534) 8" (204) 10" (254)
BA175-7TM HC5319 21" (534) 8" (204) 10" (254)
BA150-9TM HC5369 21" (534) 8" (204) 10" (254)
Figures in parenthesis are in millimetres
TM CYLINDERS (BRASS): HC5318/ HC5319/HC5369
ATM CYLINDERS (ALUMINUM): HC5312-2/ HC5313/ HC5314
CYLINDER DIMENSIONS SPECIFIC TO MODEL
CYLINDER PART BODY SHAFT
MODEL # DIAMETER DIAMETER
BA125-7ATM HC5312 1.38" (35mm) 0.50" (12.7mm)
BA135-7ATM HC5313 1.50" (38mm) 0.63" (15.9mm)
BA150-7ATM HC5314 1.75" (45mm) 0.63" (15.9mm)
BA150-7TM HC5318 1.75" (45mm) 0.63" (15.9mm)
BA175-7TM HC5319 2.00" (51mm) 0.75" (19.1mm)
BA150-9TM HC5369 1.75" (45mm) 0.63" (15.9mm)
CYLINDER MOUNTING CONFIGURATIONS
INBOARD STEERING

Table of Contents

Related product manuals