EasyManua.ls Logo

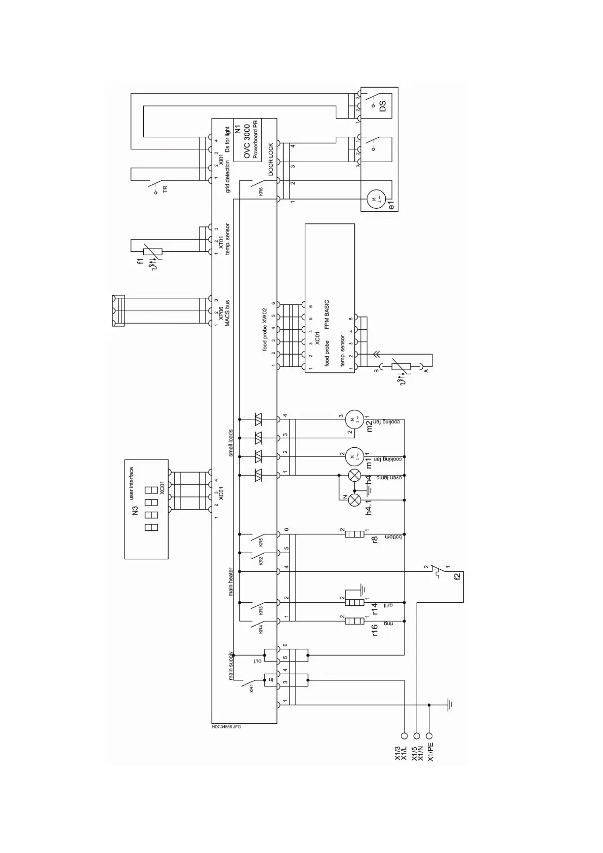
Electrolux OVC3000 - Example of Circuit Diagram for Ovens Pyro

Electrolux OVC3000
47 pages
Print Icon
To Next Page IconTo Next Page
To Next Page IconTo Next Page
To Previous Page IconTo Previous Page
To Previous Page IconTo Previous Page
Loading...
Technical Support - BSP 40/47 599 73 09-98 Rev. 02
14.2 - EXAMPLE OF CIRCUIT DIAGRAM FOR OVENS PYRO
Fig. 45

Table of Contents

Related product manuals