EasyManua.ls Logo

Electrolux OVC3000 - Example of Circuit Diagram for Different Applications; Example of Circuit Diagram for Ovens Not Pyro

Electrolux OVC3000
47 pages
Print Icon
To Next Page IconTo Next Page
To Next Page IconTo Next Page
To Previous Page IconTo Previous Page
To Previous Page IconTo Previous Page
Loading...
Technical Support - BSP 39/47 599 73 09-98 Rev. 02
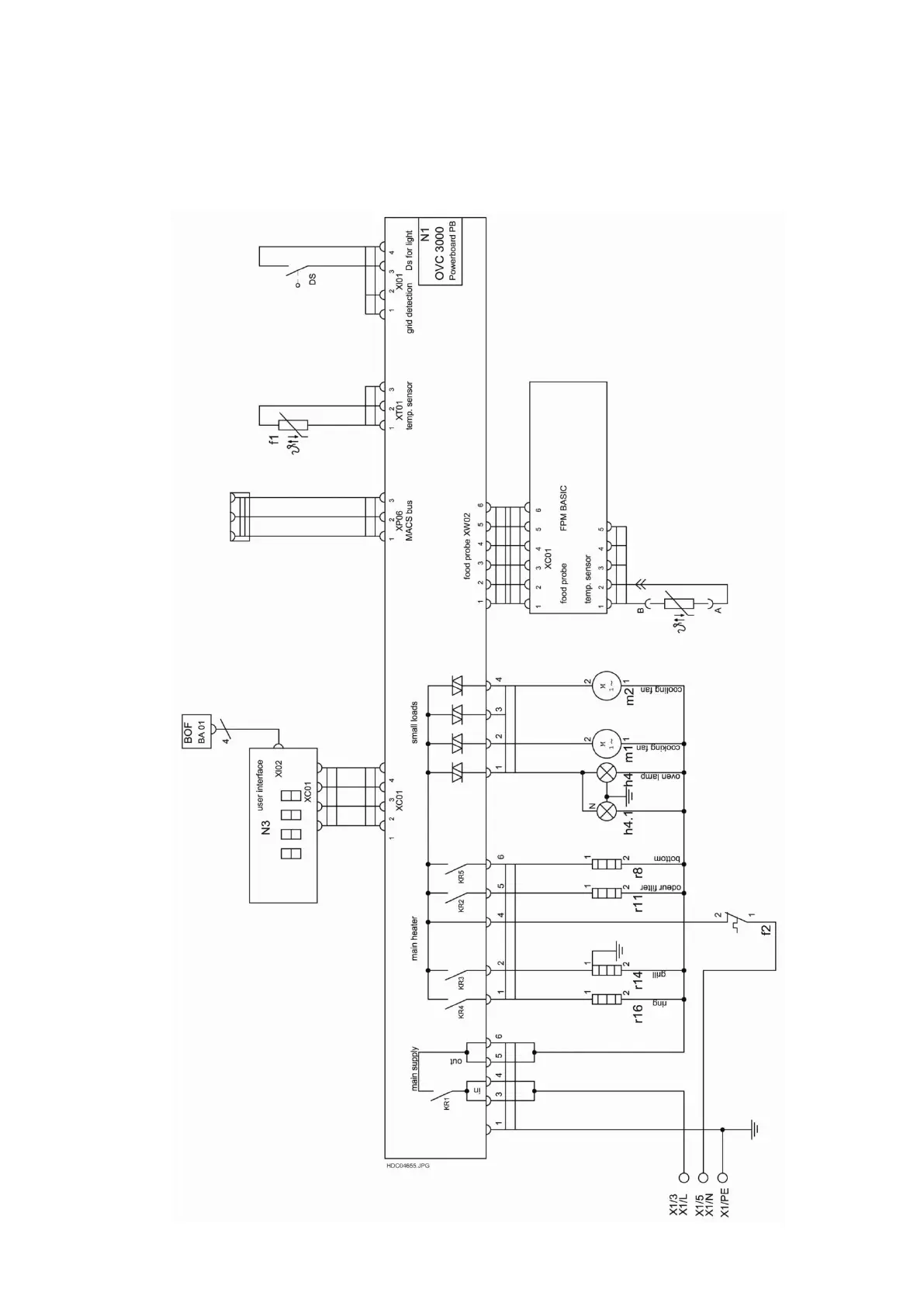
14 - EXAMPLE OF CIRCUIT DIAGRAM FOR DIFFERENT APPLICATIONS
NOTE: The following are some examples of wiring diagram, in any case, refer to the wiring diagrams related
to various models (linked to PNC in TDS).
14.1 - EXAMPLE OF CIRCUIT DIAGRAM FOR OVENS NOT PYRO
Fig. 44

Table of Contents

Related product manuals