EasyManua.ls Logo

Eliwell EWCM 4150 - Page 35

Eliwell EWCM 4150
75 pages
Print Icon
To Next Page IconTo Next Page
To Next Page IconTo Next Page
To Previous Page IconTo Previous Page
To Previous Page IconTo Previous Page
Loading...
CP03 CP03
CP00
Step
3
2
1
0
CP03
CP00
nr. of steps
CP03
nr. of steps
(°C/°F/Bar/Psi)
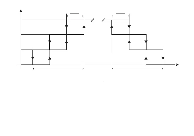
Cooling (St02 = 1) Heating (St02 = 0)
Neutral zone: this occurs if bit0 of parameter ST04 equals 1 (this occurs for St04=1 and St04=3).
The operation depends on the parameter ST02: Cooling mode if St02=1 and Heating mode if St02=0.
The main function of the regulator consists in activating/deactivating a number of resources (discrete power steps)
linked to the time in which the intake probe takes on values outside of the symmetric proportional band in
comparison to the set point value.
For the cooling mode, for example, when the value read by the intake probe exceeds the SET POINT+(BANDA)/2
threshold value, if the increasing interstep time (set with CP15) has already expired, an increase in power is
implemented and the CP15 time is recounted (increasing interstep time). If the value read by the intake probe
remains in this range, an additional power increase is activated for each “increasing interstep time” (set with CP15).
The operation is similar for switching off, with the times set by parameter CP16 (decreasing interstep time).
35

Related product manuals