EasyManua.ls Logo

Elmo st-I200 - Page 35

Elmo st-I200
40 pages
Print Icon
To Next Page IconTo Next Page
To Next Page IconTo Next Page
To Previous Page IconTo Previous Page
To Previous Page IconTo Previous Page
Loading...
E30627B
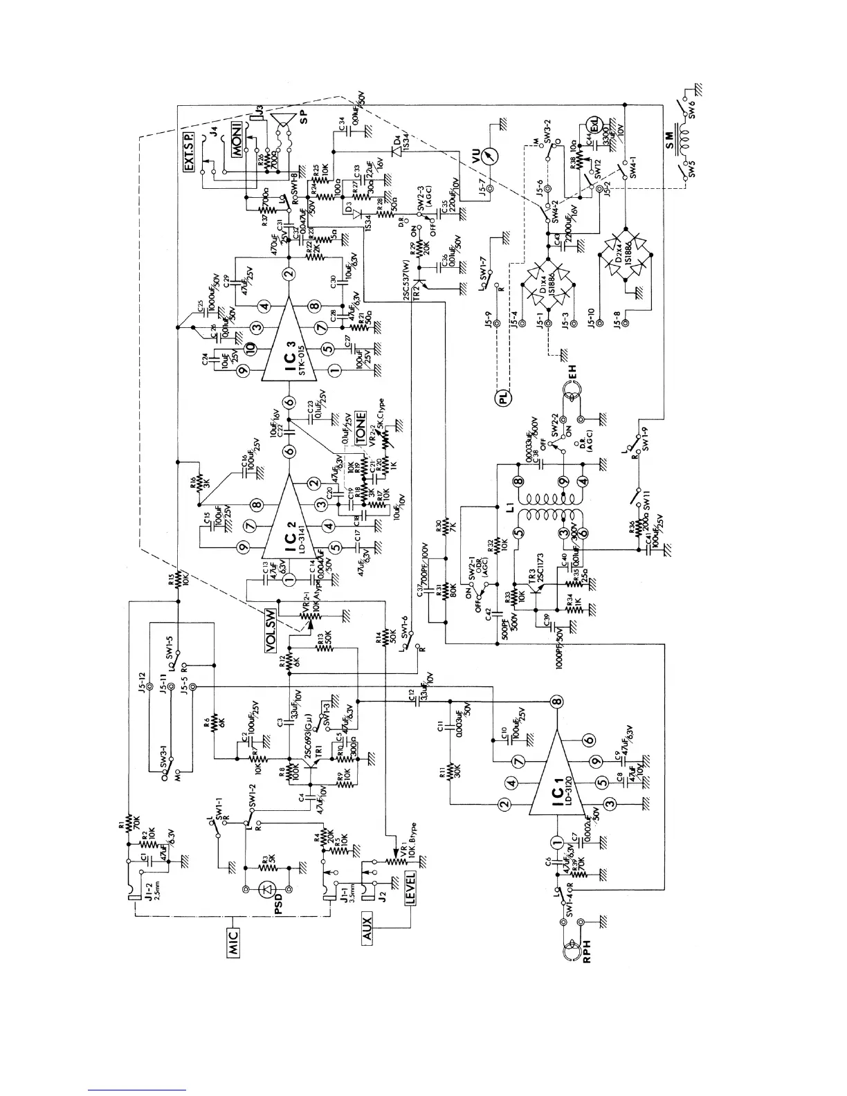
Schematic diagram for amplifier for ST—1200
- 33 -

Related product manuals