EasyManua.ls Logo

Elmo st-I200 - Schematic Diagram

Elmo st-I200
40 pages
Print Icon
To Next Page IconTo Next Page
To Next Page IconTo Next Page
To Previous Page IconTo Previous Page
To Previous Page IconTo Previous Page
Loading...
Type (C)
E30694
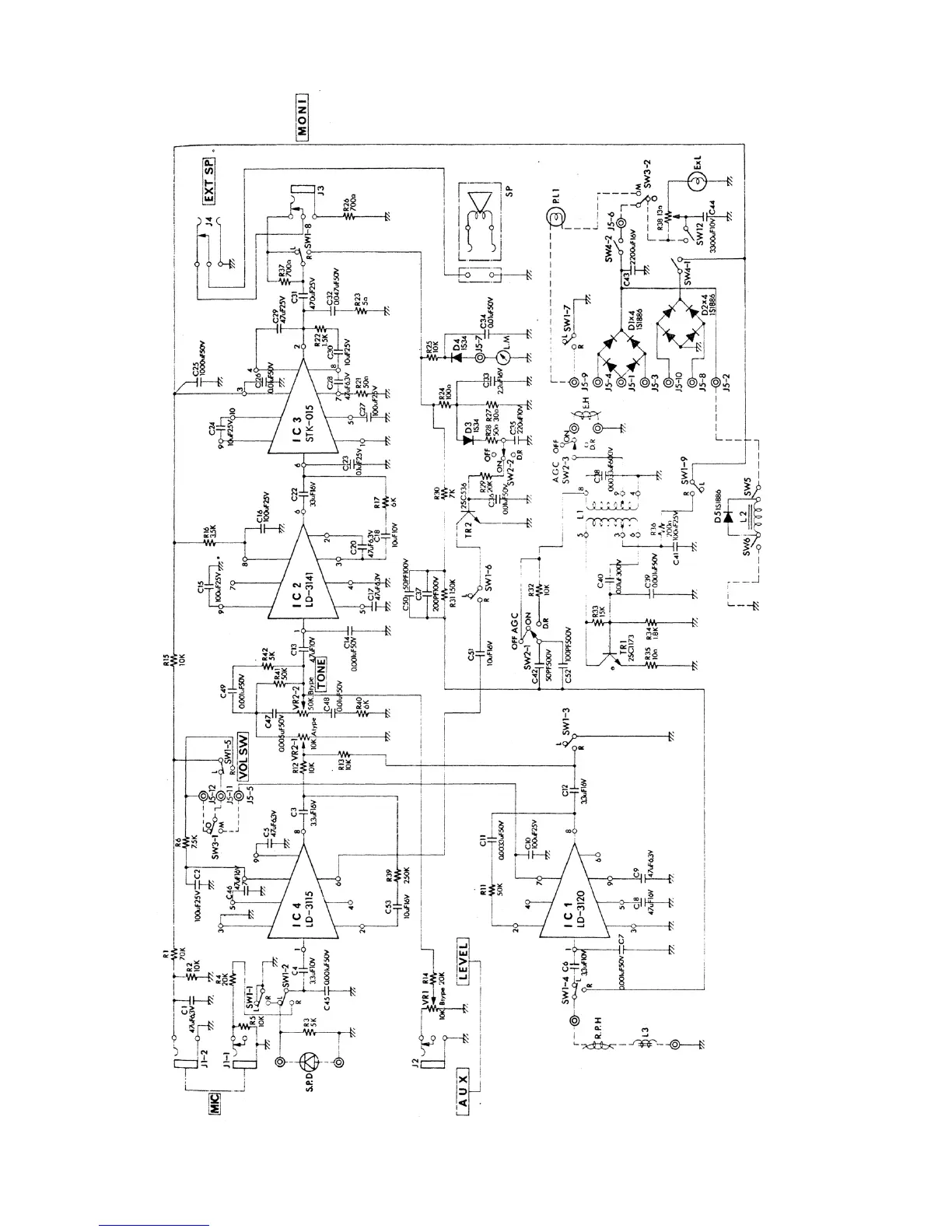
Schematic diagram for Amplifier for ST-1200

Related product manuals